EasyManua.ls Logo

Broaster VF-2 - Parts; Panels and Doors

Broaster VF-2
108 pages
Print Icon
To Next Page IconTo Next Page
To Next Page IconTo Next Page
To Previous Page IconTo Previous Page
To Previous Page IconTo Previous Page
Loading...
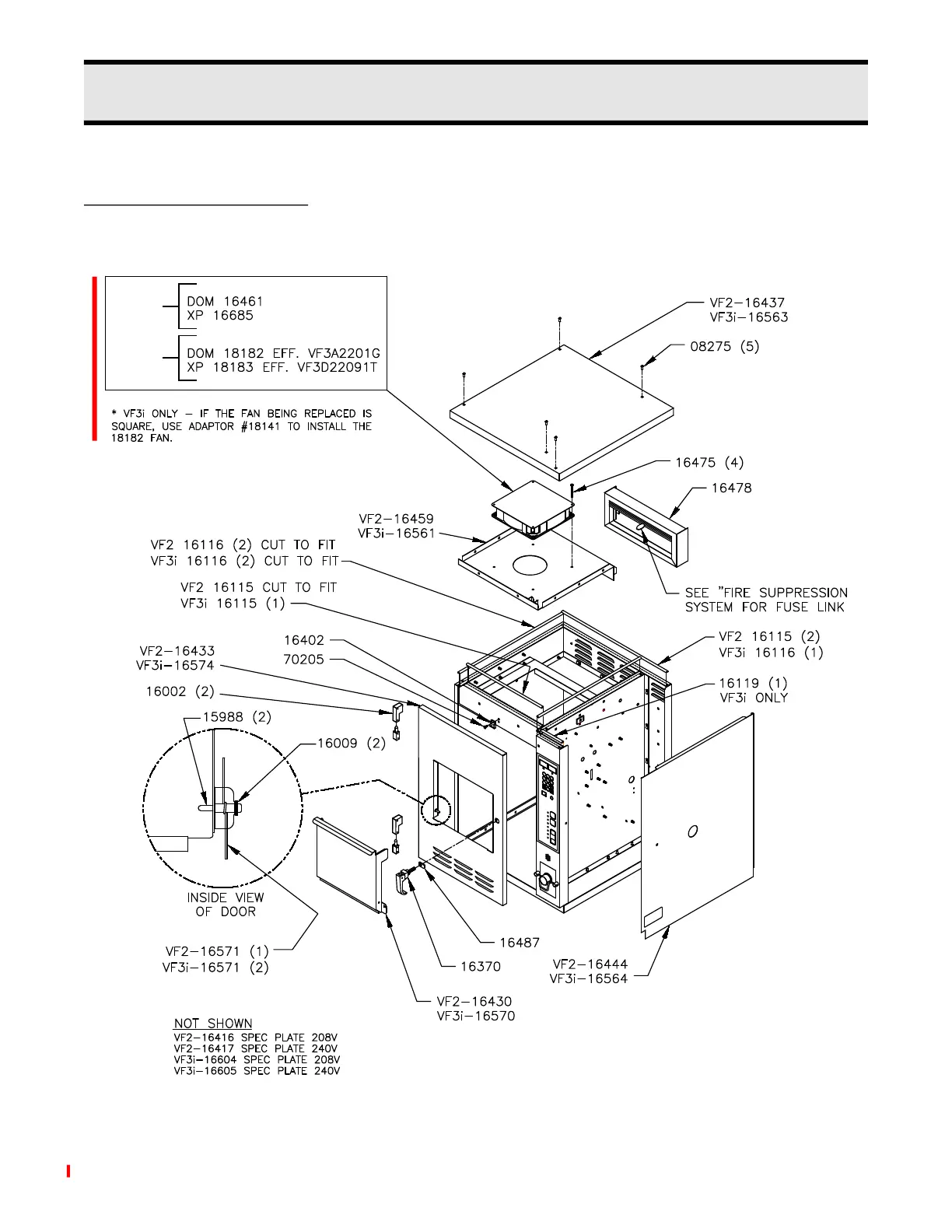
7 - PARTS
7-1
PANELS AND DOORS
broaster.com Manual #16501 7/06 Rev 10/22
All adjustments and repairs shall be made by an authorized Broaster Company representative.
7 8
6
FIRESYSTEM
POWER
ANSUL
IN CASE OF
FIRE
OFF
PRODUCTDOOR
ACCESSDOOR
ELEMENTUP
AIRFLOW
AIRFILTER
GREASEFILTER
HIGHLIMIT RESET
STOP
ON
START
CYCLE
COUNT
RESET
9
0
BASKETDOWN
1
4
HEATON
2
5
3
VF2
*VF3i

Other manuals for Broaster VF-2

Related product manuals