EasyManua.ls Logo

Broaster VF-2 - Page 15

Broaster VF-2
108 pages
Print Icon
To Next Page IconTo Next Page
To Next Page IconTo Next Page
To Previous Page IconTo Previous Page
To Previous Page IconTo Previous Page
Loading...
1-9
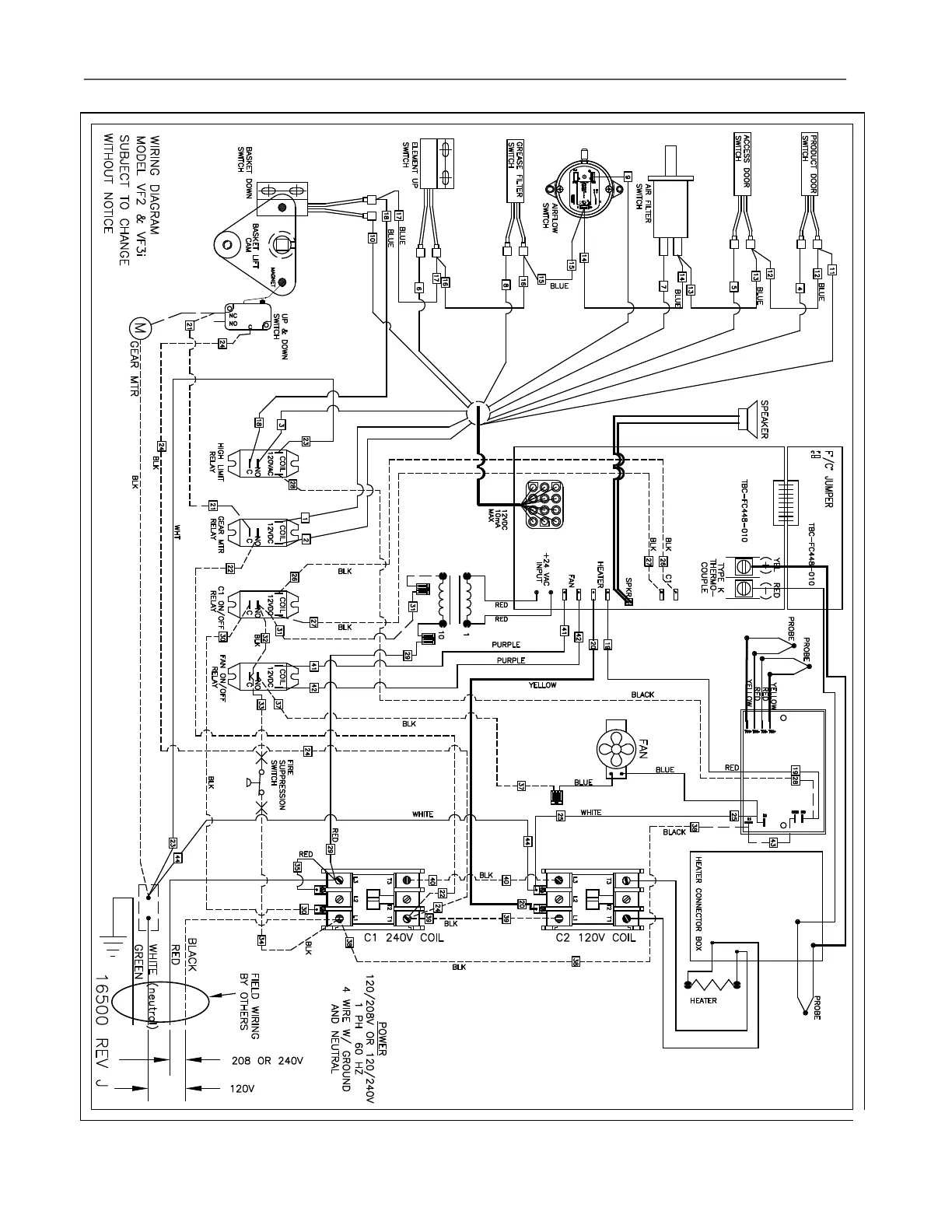
WIRING DIAGRAM - VF-3 / VF-2 effective S/N VF3J02112 and VF2_02003G
broaster.com Manual #16501 8/06 Rev 10/20

Other manuals for Broaster VF-2

Related product manuals