EasyManua.ls Logo

Broaster VF-2 - Page 17

Broaster VF-2
108 pages
Print Icon
To Next Page IconTo Next Page
To Next Page IconTo Next Page
To Previous Page IconTo Previous Page
To Previous Page IconTo Previous Page
Loading...
1-11
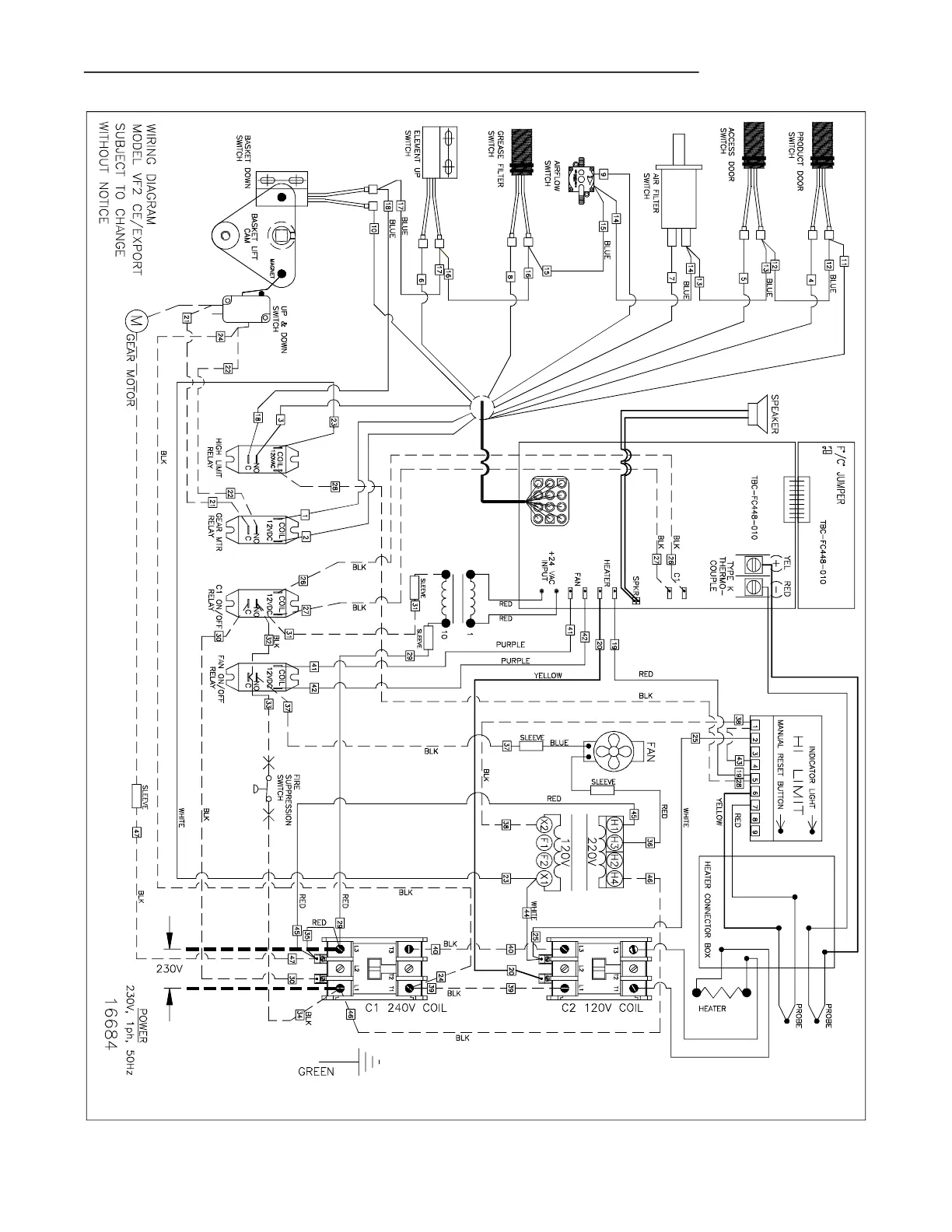
WIRING DIAGRAM VF2 EXPORT: effective S/N VF2F90XXXX
NO
NC
C
PRESSU RE SEN SOR
P
MPL
broaster.com Manual #16501 8/06 Rev 2/15

Other manuals for Broaster VF-2

Related product manuals