EasyManua.ls Logo

Brother MFC-7380 - 10 First Side Document Scanning Position Sensor PCB ASSY, Second Side Document Scanning Position Sensor PCB ASSY (Duplex Scanning Models Only), ADF Cover;Document Detection Sensor PCB ASSY

Brother MFC-7380
307 pages
Print Icon
To Next Page IconTo Next Page
To Next Page IconTo Next Page
To Previous Page IconTo Previous Page
To Previous Page IconTo Previous Page
Loading...
3-55
Confidential
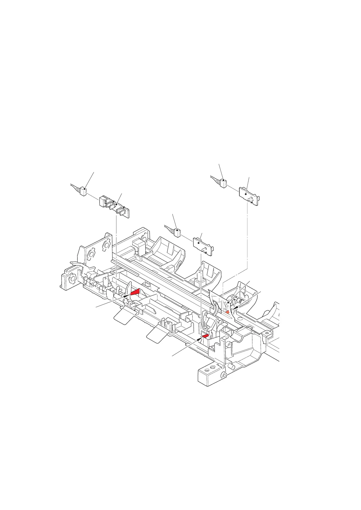
9.12.10First Side Document Scanning Position Sensor PCB ASSY, Second
Side Document Scanning Position Sensor PCB ASSY (Duplex scanning
models only), ADF Cover/Document Detection Sensor PCB ASSY
(1) Remove the first side document scanning position sensor PCB ASSY while pushing the
rib A. Disconnect the first side document scanning position sensor PCB harness (WH)
from the first side document scanning position sensor PCB ASSY.
(2) Peel the film. Remove the second side document scanning position sensor PCB ASSY
while pushing the rib B. Disconnect the second side document scanning position sensor
PCB harness (BL) from the second side document scanning position sensor PCB ASSY.
(Duplex scanning models only)
(3) Remove the ADF cover/document detection sensor PCB ASSY while pushing the rib C.
Disconnect the ADF cover/document detection sensor PCB harness from the ADF
cover/document detection sensor PCB ASSY.
Fig. 3-50
Harness routing: Refer to “8. ADF unit”.
ADF cover/document detection
sensor PCB harness (WH)
Rib C
ADF cover/document
detection sensor PCB ASSY
First side document scanning
position sensor PCB harness (WH)
First side document scanning
position sensor PCB ASSY
Second side document scanning
position sensor PCB harness (BL)*
Film
Rib A
Rib B*
Second side document
scanning position sensor
PCB ASSY*
* Duplex scanning models only.

Table of Contents

Other manuals for Brother MFC-7380

Related product manuals