EasyManua.ls Logo

Brother MFC-7380 - Page 231

Brother MFC-7380
307 pages
Print Icon
To Next Page IconTo Next Page
To Next Page IconTo Next Page
To Previous Page IconTo Previous Page
To Previous Page IconTo Previous Page
Loading...
3-98
Confidential
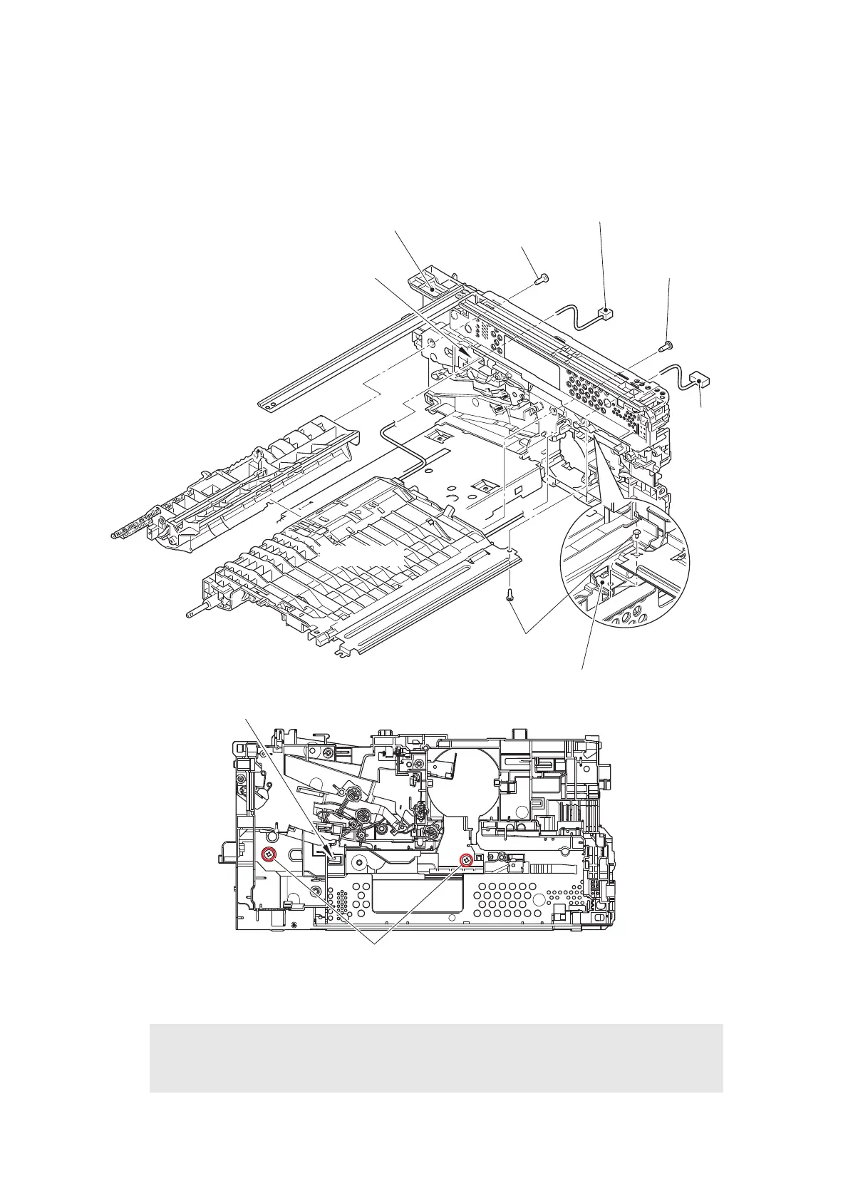
(4) Release the registration front/rear sensor PCB harness and the LVPS harness from the
securing fixtures.
(5) Remove the taptite cup S M3x6 SR screw and the two taptite bind B M4x12 screws, and
remove the main frame R ASSY. Pull out the registration front/rear sensor PCB harness
from the hole.
Fig. 3-104
Harness routing: Refer to “1. Right side of the machine” and “2. Top side of the registration chute”.
Assembling Note:
When attaching the main frame R ASSY, check that the LVPS FG plate is set to the
main frame R ASSY.
Taptite cup S M3x6 SR
<Overhead view
of frame R>
LVPS FG plate
Hole
Registration front/rear sensor PCB harness
Main frame R ASSY
Taptite bind B M4x12
Hole
Taptite bind B
M4x12 (5a)
<Back side>
LVPS
harness
<Bottom side>
Taptite bind B M4x12 (5b)

Table of Contents

Other manuals for Brother MFC-7380

Related product manuals