EasyManua.ls Logo

Burnham ALPINE - Page 40

Burnham ALPINE
132 pages
Print Icon
To Next Page IconTo Next Page
To Next Page IconTo Next Page
To Previous Page IconTo Previous Page
To Previous Page IconTo Previous Page
Loading...
40
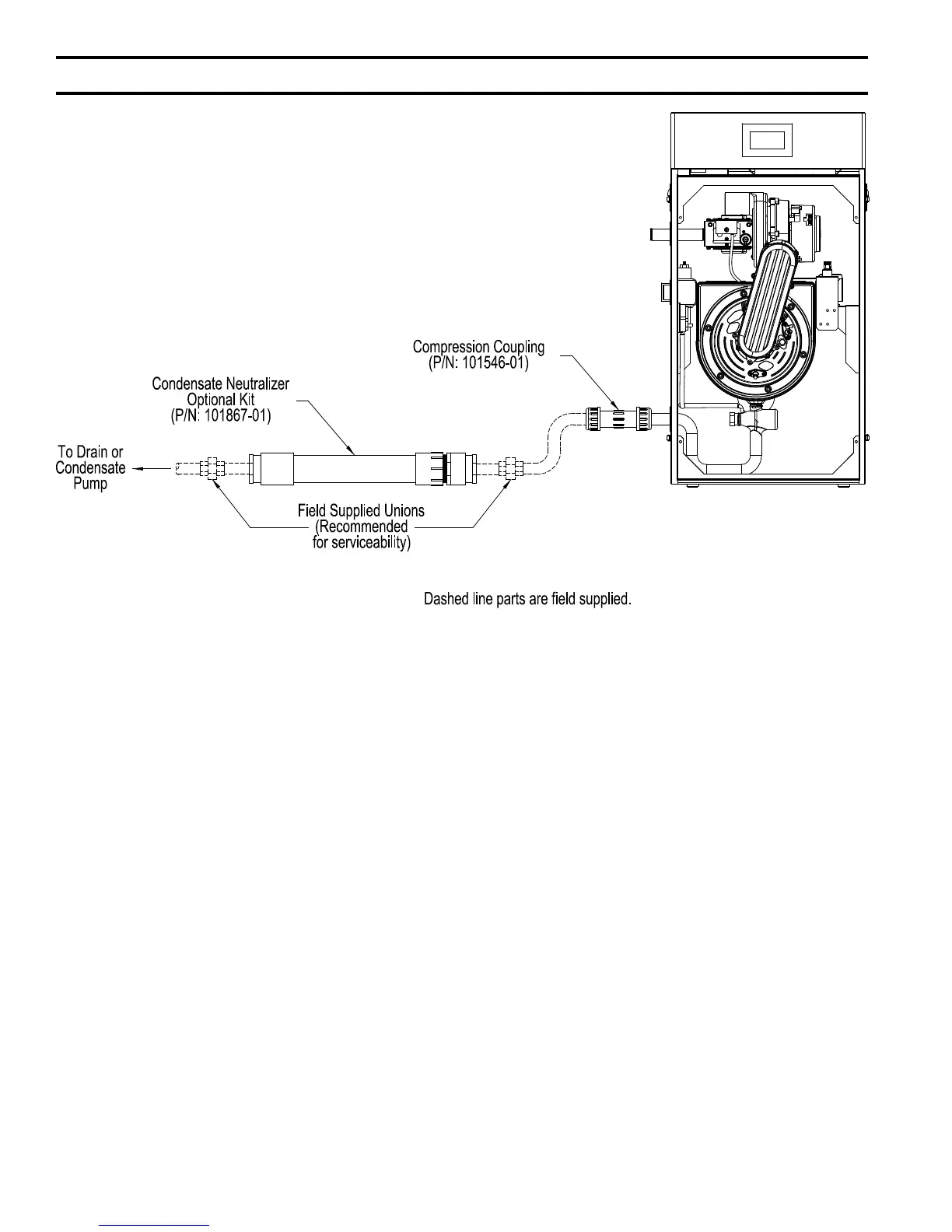
Figure 29: Condensate Trap and Drain Line
V. Condensate Disposal (continued)

Other manuals for Burnham ALPINE

Related product manuals