EasyManua.ls Logo

Burnham ALPINE - Page 49

Burnham ALPINE
132 pages
Print Icon
To Next Page IconTo Next Page
To Next Page IconTo Next Page
To Previous Page IconTo Previous Page
To Previous Page IconTo Previous Page
Loading...
49
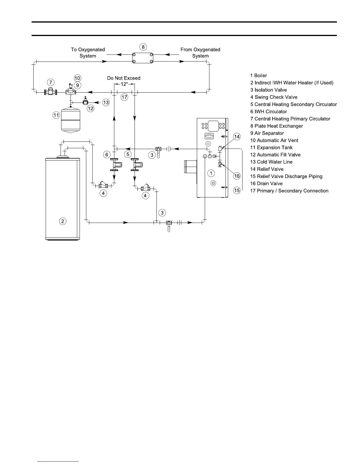
Figure 33: Isolation of the Boiler From Oxygenated Water with A Plate Heat Exchanger
VI. Water Piping and Trim (continued)

Other manuals for Burnham ALPINE

Related product manuals