EasyManua.ls Logo

Canon DC20 E - 2. Power Supply Circuit

Canon DC20 E
206 pages
Print Icon
To Next Page IconTo Next Page
To Next Page IconTo Next Page
To Previous Page IconTo Previous Page
To Previous Page IconTo Previous Page
Loading...
DC10 E, DC20 E
TECHNICAL DESCRIPTION
3
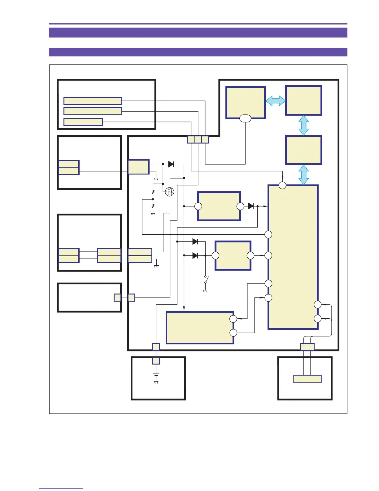
2. Power Supply Circuit
2-1 Startup of Power Supply
Fig. 1
33
32
20
V27
41
23
4
5
36
51
1
2
8
13
VCC
VTR
POW SW
2,3
CN3200
4,5
A15,B9-15
CN104
B1-B8
A15,B9-15
CN100
CN105
B1-B8
POWER SW
BATTERY
TERMINAL
DC JACK
CAM
POW SW
EJECT
SW
VTR ON
E3 DET
E3V
VCC
RESET
DC V DET
SERIAL
DATA
IC101
CCM
MI-COM.
IC1103
DIGIC
DV
IC2300
BACK END
MI-COM.
IC100
SUB
MI-COM.
IC104
3.2V
REGULATOR
IC3201
DC/DC
CONVERTER
CONTROL
IC105
RESET
+
+
LITHUM
BATTERY
(2ND)
RESET
SW
DC JACK FPC
RIGHT COVER
TS MECH
MAIN PCB
ZOOM ASS'YCARD PCB
12111
48 48
CN50
17
SW13 OPEN DETECT SW
SW12 OPEN DETECT SW
SW10 EJECT SW
SWITCH FPC ASS'Y
CN102
892

Table of Contents

Related product manuals