EasyManua.ls Logo

Canon LASER CLASS 710 - Page 325

Canon LASER CLASS 710
436 pages
Print Icon
To Next Page IconTo Next Page
To Next Page IconTo Next Page
To Previous Page IconTo Previous Page
To Previous Page IconTo Previous Page
Loading...
2-11
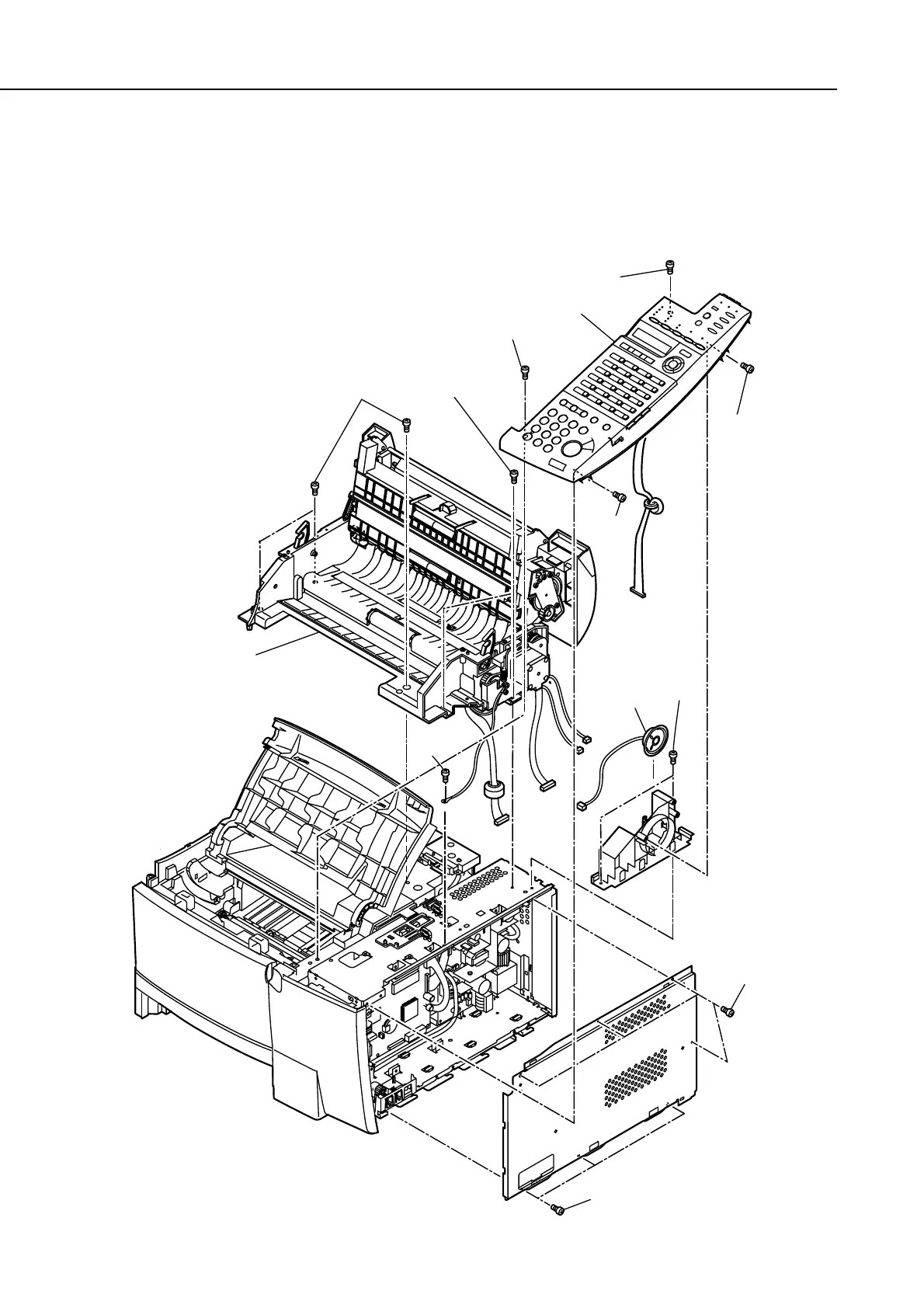
LASER CLASS 730i/720i/710 2.PARTS LAYOUT & PARTS LIST
FIGURE 6
LASER CLASS 710
READER ASS’Y, OPERATION PANEL ASS’Y
5
2
4
7
4
4
3
7
6
5
1
See FIGURE 17
for dosassembly
See FIGURE 18
for dosassembly
5
5
See Page 5-1
(FIGURE 6-a)

Table of Contents

Related product manuals