EasyManua.ls Logo

Canon LASER CLASS 710 - Page 331

Canon LASER CLASS 710
436 pages
Print Icon
To Next Page IconTo Next Page
To Next Page IconTo Next Page
To Previous Page IconTo Previous Page
To Previous Page IconTo Previous Page
Loading...
2-17
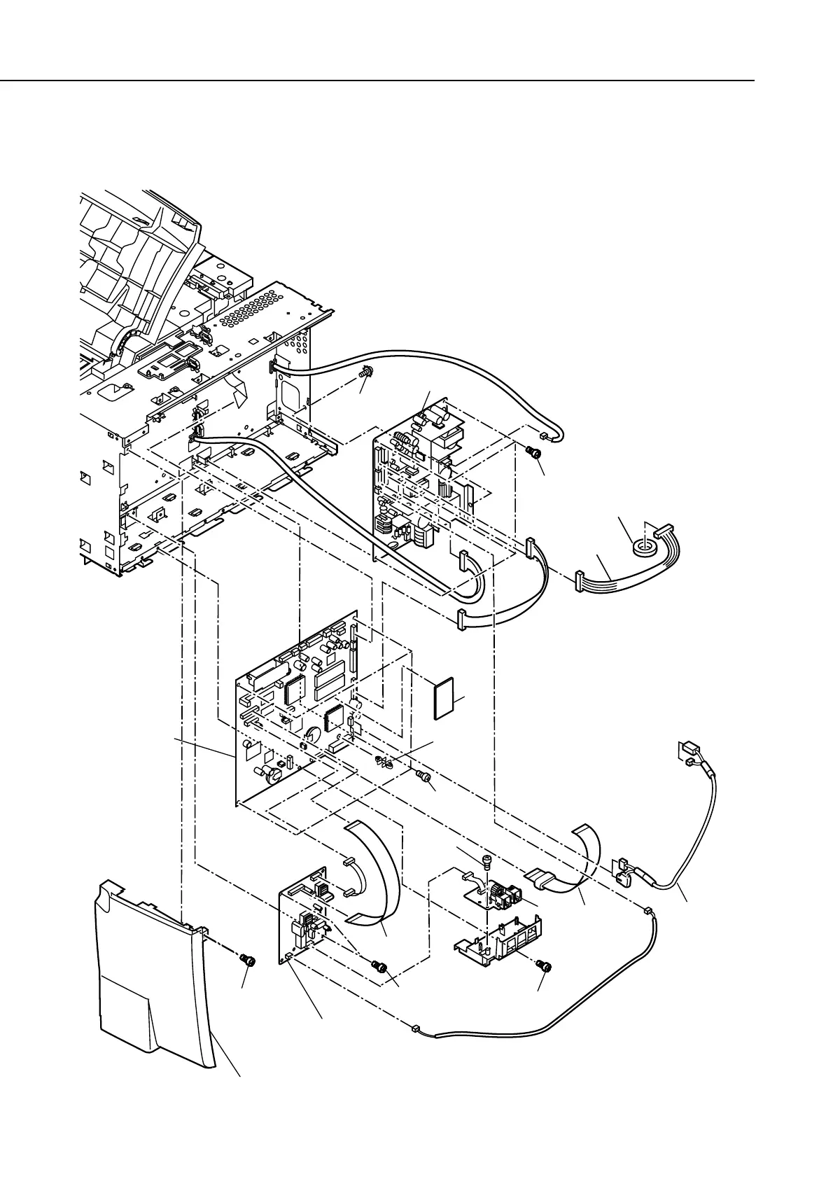
LASER CLASS 730i/720i/710 2.PARTS LAYOUT & PARTS LIST
FIGURE 9
LASER CLASS 730i/720i CIRCUIT BOARDS
8
6
7
3
9
7
10
14
13
4
15
11
7
5
10
12
16
1
2
See FIGURE 32
for disassembly
See FIGURE 33
for disassembly
See Page 5-1
(FIGURE 9-a)

Table of Contents

Related product manuals