EasyManua.ls Logo

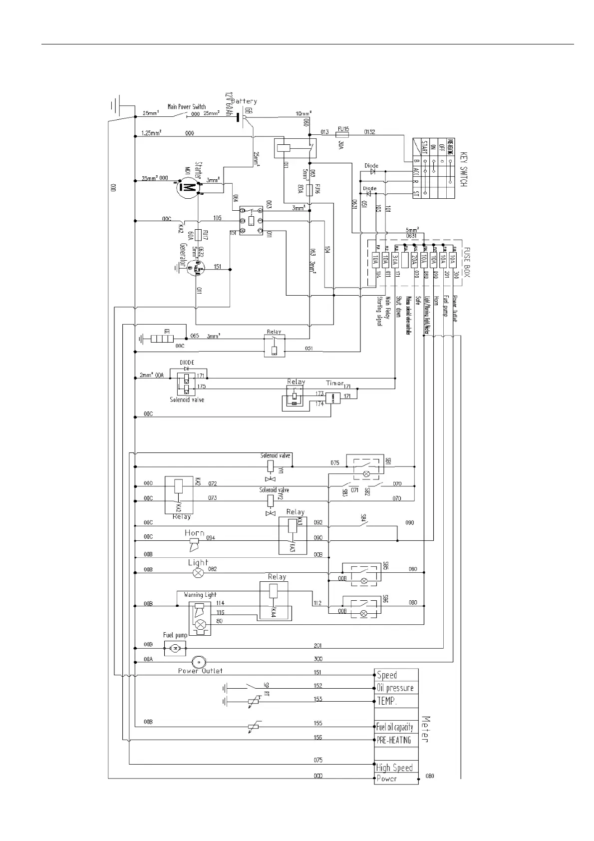
Carter CT12 - 3.6 Electrical System Diagram

Carter CT12
102 pages
Print Icon
To Next Page IconTo Next Page
To Next Page IconTo Next Page
To Previous Page IconTo Previous Page
To Previous Page IconTo Previous Page
Loading...
SHANDONG CARTER HEAVY INDUSTRY MACHINERY CO., LTD.
51
3.6 Electrical system diagram

Table of Contents