EasyManua.ls Logo

Case 435 - Wiring Harness - Electrical Schematic Frame 24 (A.30.A.88 - C.20.E.24); 435, 445, 445 Ct

Case 435
252 pages
Print Icon
To Next Page IconTo Next Page
To Next Page IconTo Next Page
To Previous Page IconTo Previous Page
To Previous Page IconTo Previous Page
Loading...
DISTRIBUTION SYSTEMS - ELECTRICA L POWE R SYSTEM
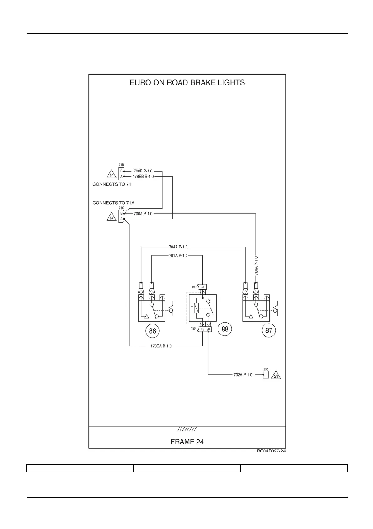
Wiring harness - Electrical schematic frame 24 (A.30.A.88 -
C.20.E.24)
435, 445, 445CT
bc04e027-24 1
(86) Left Brake L ig ht Switch (Euro) (87) Right Brake Light Switch (Euro) (88) Brake Light Timer Relay (Euro)
1 04/05/2005
A.30.A / 82

Table of Contents

Related product manuals