EasyManua.ls Logo

Case 435 - Page 249

Case 435
252 pages
Print Icon
To Next Page IconTo Next Page
To Next Page IconTo Next Page
To Previous Page IconTo Previous Page
To Previous Page IconTo Previous Page
Loading...
DISTRIBUTION SYSTEMS - HYDRAULIC COMMAND SYSTEM
Command Remote control lever - Exploded view (A.14.A.05.05 -
C.10.A.20)
435, 445, 445CT
bs04n027_1 1
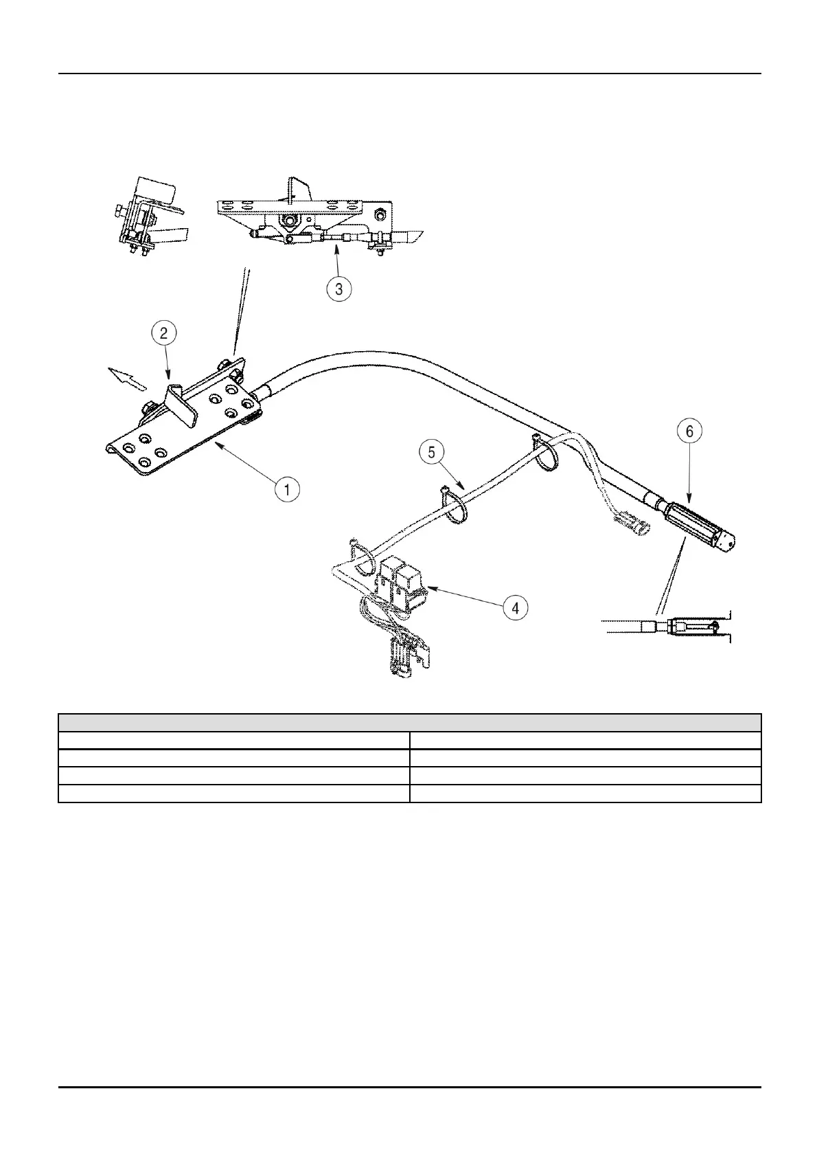
Auxiliary Hydraulic Control System
(1) Pedal (5)Electrical Harnes s
(2) Pedal Loc k Leve r (6) Control Cable Assembly
(3) Linkage
(4) Electrical R ela y
1 04/05/2005
A.14.A / 3

Table of Contents

Related product manuals