EasyManua.ls Logo

Case CX145C SR - Page 27

Case CX145C SR
306 pages
Print Icon
To Next Page IconTo Next Page
To Next Page IconTo Next Page
To Previous Page IconTo Previous Page
To Previous Page IconTo Previous Page
Loading...
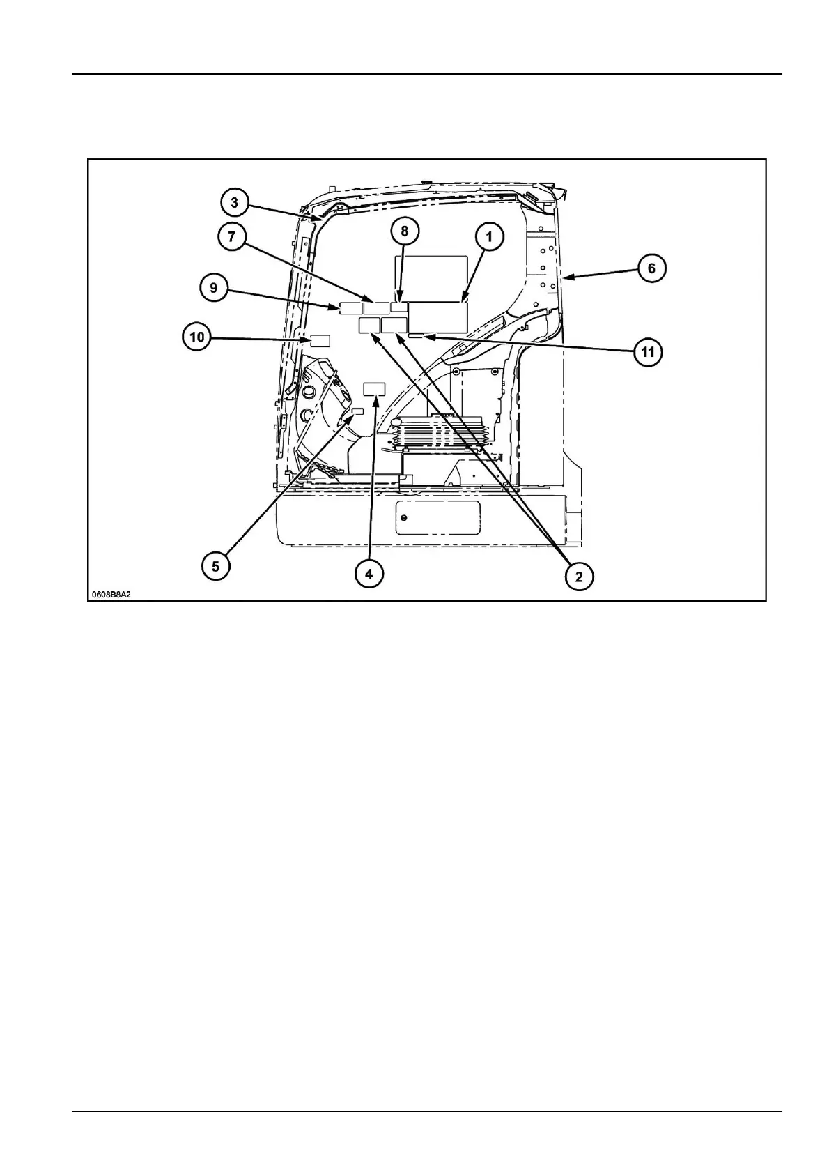
2-SAFETYINFORMATION
Positionofdecals
Whenreplacingadecal,makesureitislocatedasshownbelow.
0608B8A22
Seechapter“Illustrationofdecals”forthefunctionsofdecals.
2-9

Table of Contents

Related product manuals