EasyManua.ls Logo

Chrysler Pacifica CS 2004 - 2004 Cs 3.5 L

Chrysler Pacifica CS 2004
370 pages
Print Icon
To Next Page IconTo Next Page
To Next Page IconTo Next Page
To Previous Page IconTo Previous Page
To Previous Page IconTo Previous Page
Loading...
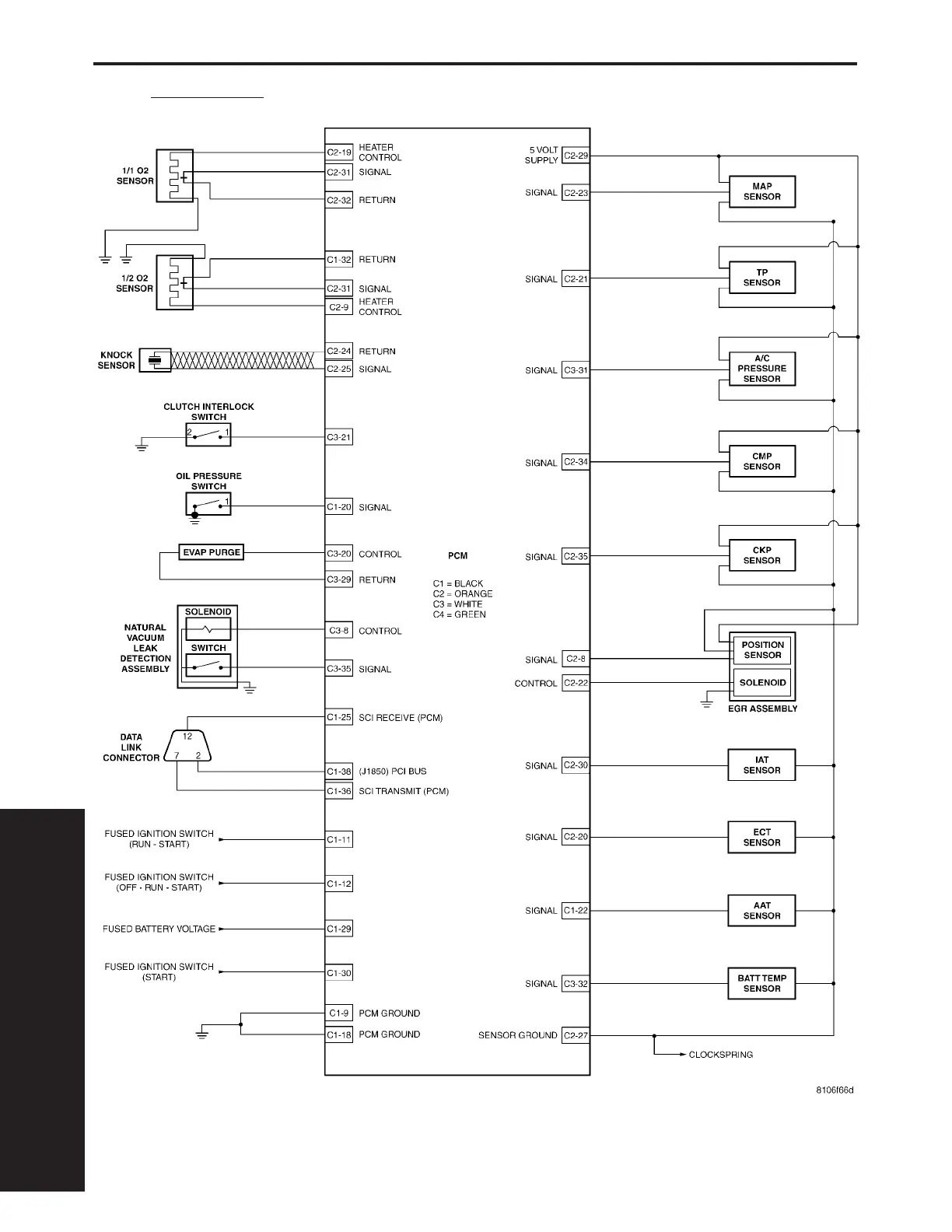
10.2 2004 CS 3.5L
S
C
H
E
M
A
T
I
C
D
I
A
G
R
A
M
S
360
SCHEMATIC DIAGRAMS

Table of Contents

Related product manuals