EasyManua.ls Logo

CIMLINE M1 - M-Series Trailer Wiring Diagram and Parts

Default Icon
76 pages
Print Icon
To Next Page IconTo Next Page
To Next Page IconTo Next Page
To Previous Page IconTo Previous Page
To Previous Page IconTo Previous Page
Loading...
39
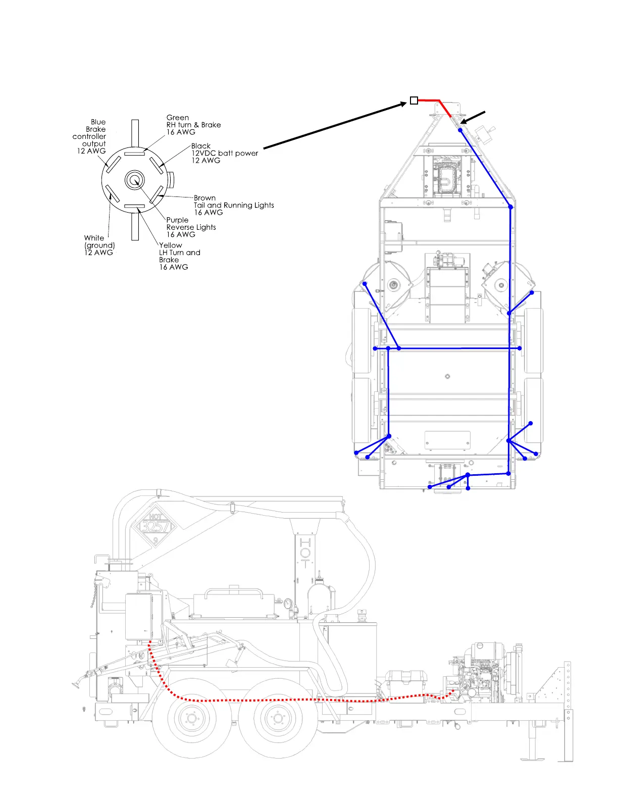
BRAKING NOTE:
Brake controller is required on vehicle to
activate the brakes on the trailer.
Main Harness Wiring Path.
PN 130578
M4\M4Dual uses extension at prior
to reaching control panel harness
PN 130576
Trailer Lights
Junction box
PN 130503
60” Trailer Harness Cable PN 156025
Front view of plug
TRAILER LIGHT COMPONENTS:
PN Material Description Location
130360 LICENSE PLATE BRKT ....................... (A)
130374 CLEARANCE LIGHT RED ................... (B)
130375 CLEARANCE LIGHT AMBER .............. (C)
130402 CLEARANCE LIGHT RED ................... (D)
130403 TAIL LIGHT LED OVAL ........................ (E)
130405 GROMMET FOR TAILLIGHT ............... (E)
M-Series Trailer Wiring Diagram and Parts
(C)
(C)
(B)
(E)
(E)
(B)
(D)
(D)
(D)
(A)

Table of Contents

Related product manuals