EasyManua.ls Logo

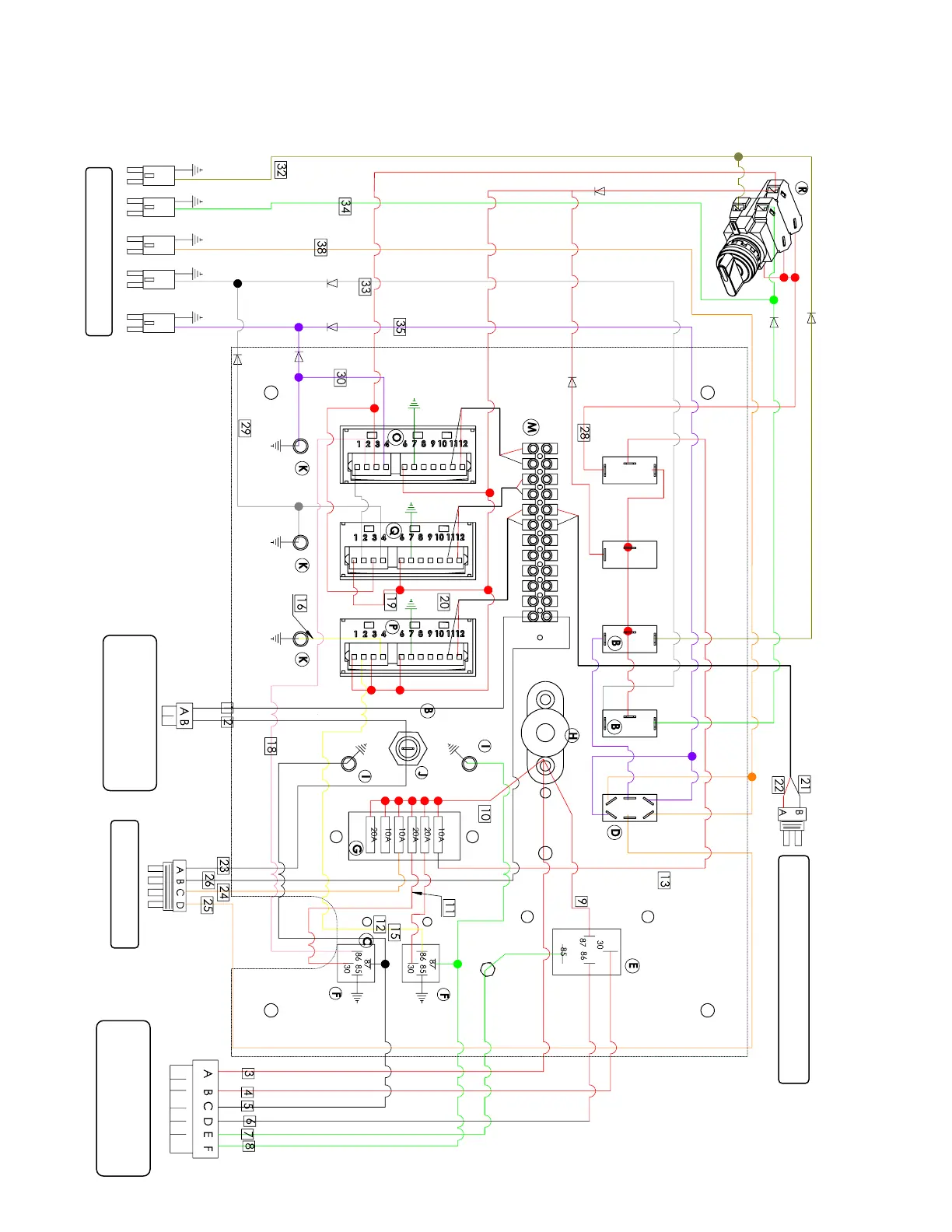
CIMLINE M1 - M-Series Control Panel Wiring Diagram and Parts

Default Icon
76 pages
Print Icon
To Next Page IconTo Next Page
To Next Page IconTo Next Page
To Previous Page IconTo Previous Page
To Previous Page IconTo Previous Page
Loading...
42
SEALANT MANIFOLD
MAIN HARNESS
130578
HEATED HOSE
MAIN HARNESS
130578
HOSE THERMOCOUPLING
M-Series Control Panel Wiring Diagram

Table of Contents

Related product manuals