EasyManua.ls Logo

Cisco Nexus 7000 - Page 167

Cisco Nexus 7000
508 pages
Print Icon
To Next Page IconTo Next Page
To Next Page IconTo Next Page
To Previous Page IconTo Previous Page
To Previous Page IconTo Previous Page
Loading...
6-13
Cisco Nexus 7000 Series Hardware Installation and Reference Guide
OL-23069-07
Chapter 6 Installing Power Supplies
Connecting a DC Power Supply to DC Power Sources
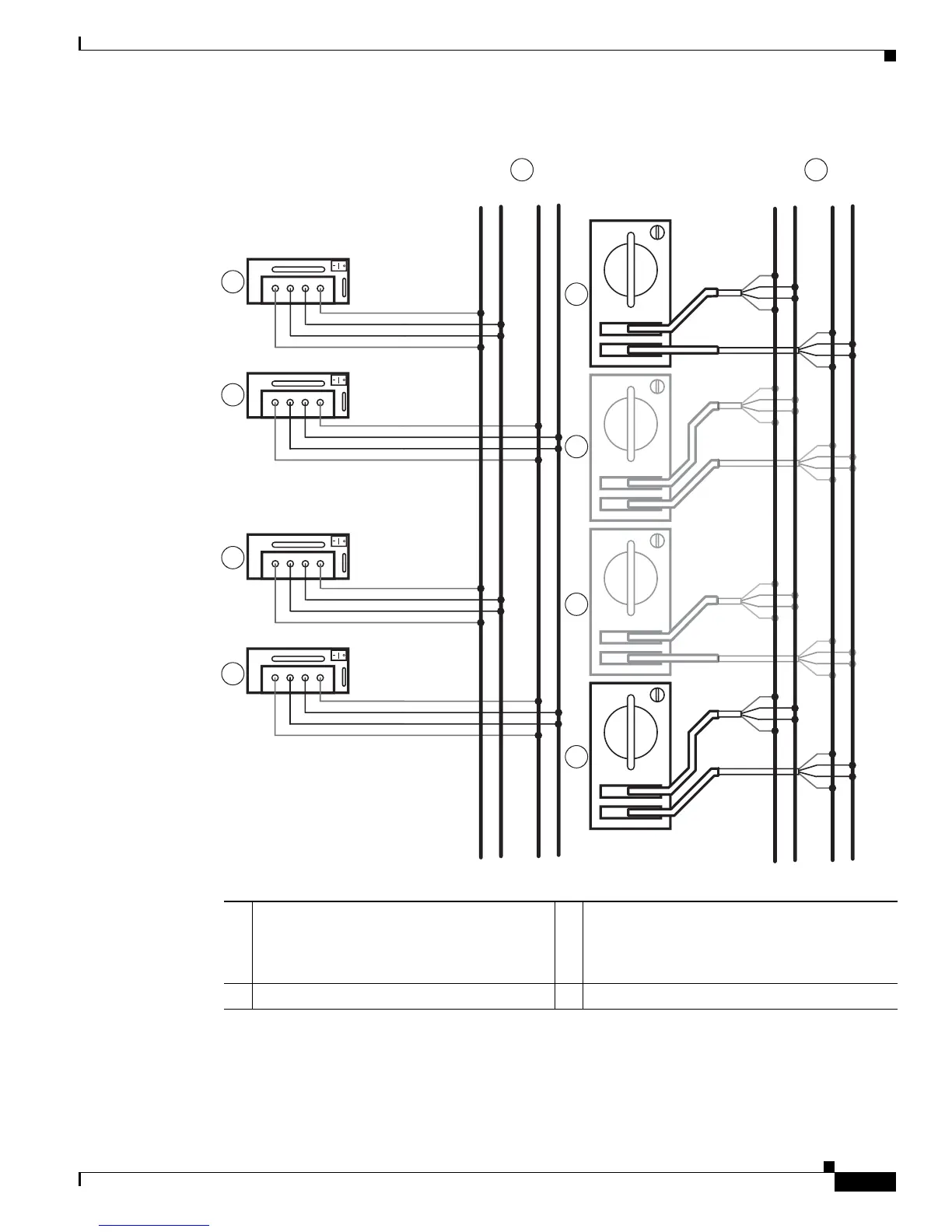
Figure 6-5 Connecting DC Power Supplies to Two Grids for Input Source Redundancy Mode
+-+
-
+-+
-
+-+
-
+-+
-
-+
-+
-+
-+
345614
1
1
1
1
3
3
3
3
2 2
1 3-kW DC power supply (half of the power
supplies connected to one DC power grid and
the other half connected to another DC power
grid)
3 6-kW DC power supply (for each power
supply, each power cable connects to a separate
power grid)
2 Two DC power grids

Table of Contents

Other manuals for Cisco Nexus 7000

Related product manuals