EasyManua.ls Logo

CleaverBrooks FLE - Page 60

CleaverBrooks FLE
64 pages
Print Icon
To Next Page IconTo Next Page
To Next Page IconTo Next Page
To Previous Page IconTo Previous Page
To Previous Page IconTo Previous Page
Loading...
4-4 750-192
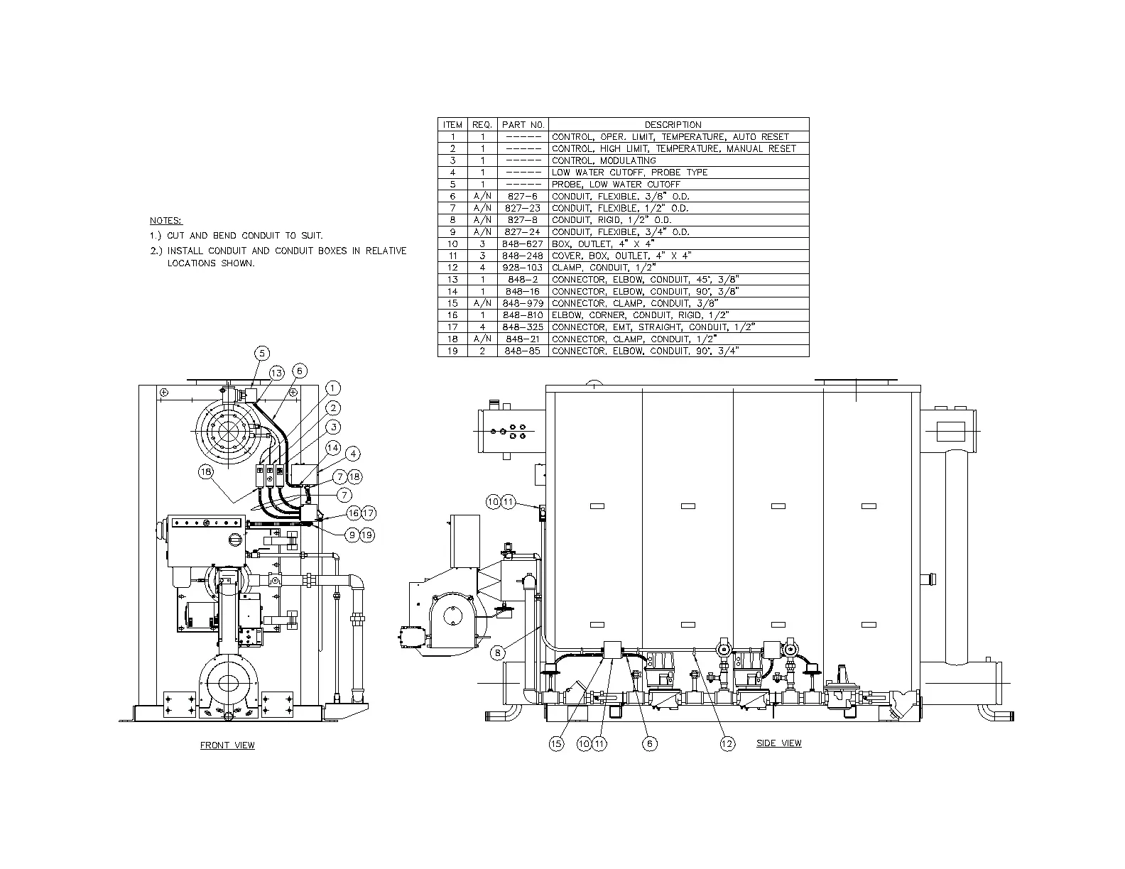
Figure 4-5. Typical conduit layout - ProFire burner on a hot water Flextube boiler

Related product manuals