EasyManua.ls Logo

ComAp InteliDrive FLX LITE - Group: Load Limit

ComAp InteliDrive FLX LITE
228 pages
Print Icon
To Next Page IconTo Next Page
To Next Page IconTo Next Page
To Previous Page IconTo Previous Page
To Previous Page IconTo Previous Page
Loading...
ID-FLX Lite Global Guide
135
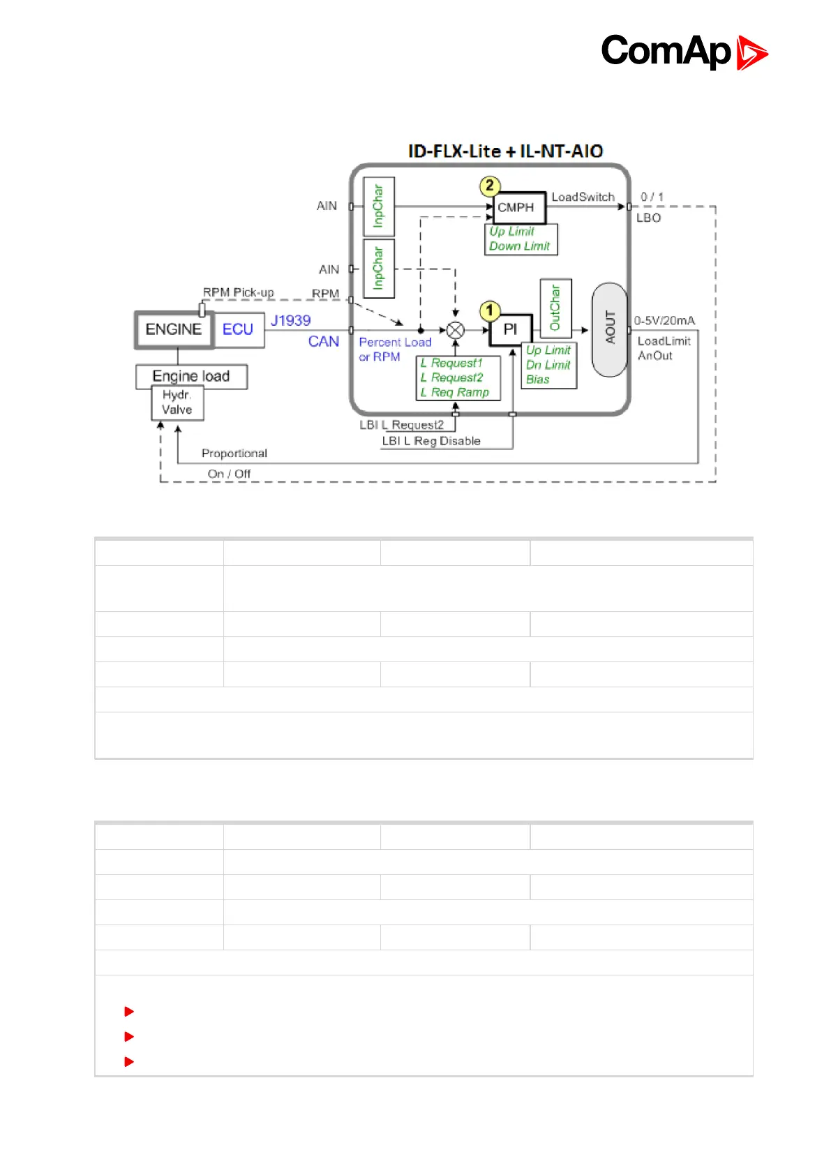
Group: Load limit
Setpoint group ATTsettings Related FW 2.5.0
Range [units]
RPM, ECU:Load, CU:AI1, CU:AI2, CU:AI3, CU:AI4, CU:AI5, CU:AI6, CU:AI7,
CU:AI8, CU:AI9, AIO:IA1, AIO:AI2, AIO:AI3, AIO:AI4 [-]
Default value RPM YES
Step -
Comm object 11850 Related applications
Description
This setpoint is for Load limit PI loop analog input selection. Source can be adjusted from controller RPM
pick-up, ECU, analog inputs or from extension module inputs.
Load input
6 back to List of setpoints
Setpoint group Load limit Related FW 2.5.0
Range [units] 0 .. 10000 [-]
Default value 0 YES
Step 1
Comm object 11851 Related applications
Description
Constant Load limit PI regulator output. Load Bias is activated when:
Engine Sd protection is activated
LOADREGDISABLE (PAGE 194) = closed
Load input value is invalid (Sensor Fail)
Load Bias
6 back to List of setpoints

Table of Contents

Related product manuals