EasyManua.ls Logo

ComAp InteliDrive FLX LITE - Engine RPM Control in man Mode; Engine RPM Idle - Nominal Switching

ComAp InteliDrive FLX LITE
228 pages
Print Icon
To Next Page IconTo Next Page
To Next Page IconTo Next Page
To Previous Page IconTo Previous Page
To Previous Page IconTo Previous Page
Loading...
ID-FLX Lite Global Guide
62
The alarm CoolDown Cd, red color). Its configurable type of alarm, where isn’t necessary immediately to stop
the engine. E.g. because of low fuel level can be the engine switched by degrees over cooling time and idle
speed.
Apart from here above mentioned “ready to wear basic protections, the user can configure each analog or binary
input as a protection. The configuration of binary inputs is done in LiteEdit, in the window Modify.
Note: Class B protection: for binary inputs configured as a protection, the individual delay can be set by the
means of setpoints BIN1 Prot Del, BIN2 Prot Del, etc.
The configuration of the analog inputs can be done by a similar way, in LiteEdit, in the window Modify and in the
group of setpoints Engine protect, where is possible to set the alarm levels by means of setpoints.
Note: Class C protection: the analog inputs AIN4, AIN5, AIN6 and AIN7 behave either “normally“or according
to the class C definition according to the SP AINx Eval.
IMPORTANT: The LBI Prot Test blocks temporarily all the protections in order to perform tests etc.
Note: For other details about the protections, see the paragraph Setpoints, Engine protect.
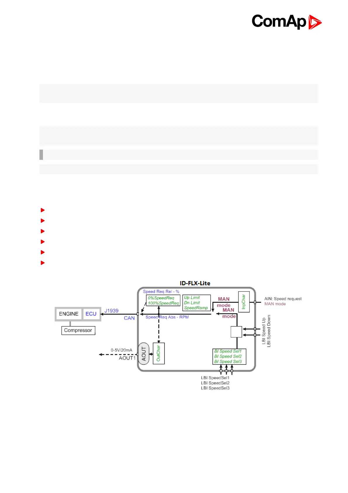
5.15.9 Engine RPM control in MAN mode
There are following options to setup and change the engine speed:
Start to Nominal RPM and run at constant speed.
Start to Idle speed and Automatically (Idle time) or manually by Binary input: Nominal/Idle
Ramp to Nominal (or preset) RPM.
Switch the RPM in three steps by Binary inputs BI Speed Sel1, 2, 3.
Ramp engine RPM Up/Down by Binary inputs BI Speed Up and Speed Down.
Control engine RPM by Analog input - e.g. by potentiometer.
Engine RPM Idle - Nominal switching
NOMINAL/IDLE (PAGE 192) switchs RPM to Idle speed (page 118) when closed (in MAN mode only). Opened
input ramps to ECU SpeedAdj (page 123). No RPM control is active in engine Idle state.

Table of Contents

Related product manuals