EasyManua.ls Logo

Cornelius PRISM - Wiring Diagram

Cornelius PRISM
32 pages
Print Icon
To Next Page IconTo Next Page
To Next Page IconTo Next Page
To Previous Page IconTo Previous Page
To Previous Page IconTo Previous Page
Loading...
Prism Owner’s Manual
© 2018, Cornelius Inc. - 23 - Publication Number: 548000096
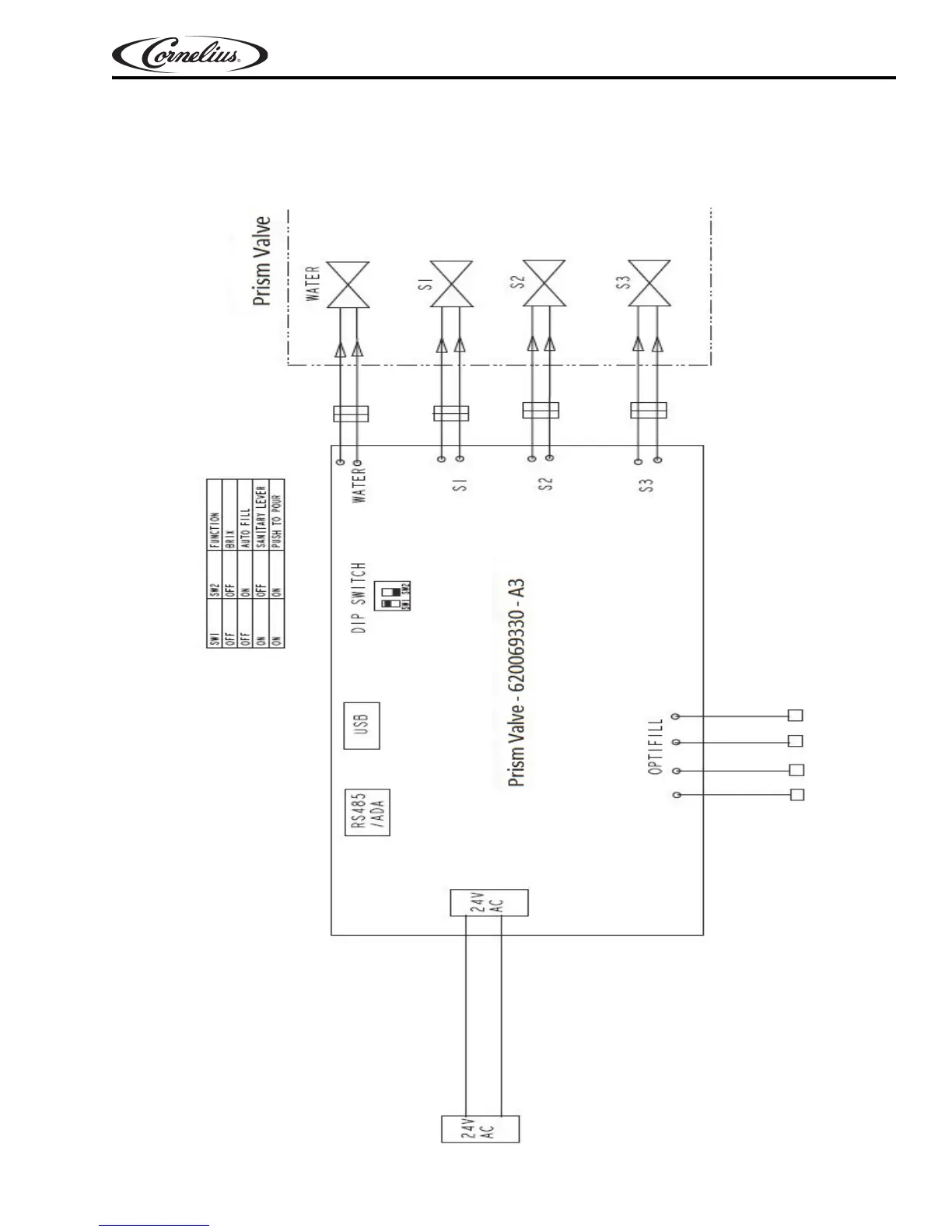
WIRING DIAGRAM
Figure 41.

Related product manuals