EasyManua.ls Logo

Cray CRAY-1 - Page 209

Default Icon
216 pages
Print Icon
To Next Page IconTo Next Page
To Next Page IconTo Next Page
To Previous Page IconTo Previous Page
To Previous Page IconTo Previous Page
Loading...
,
I
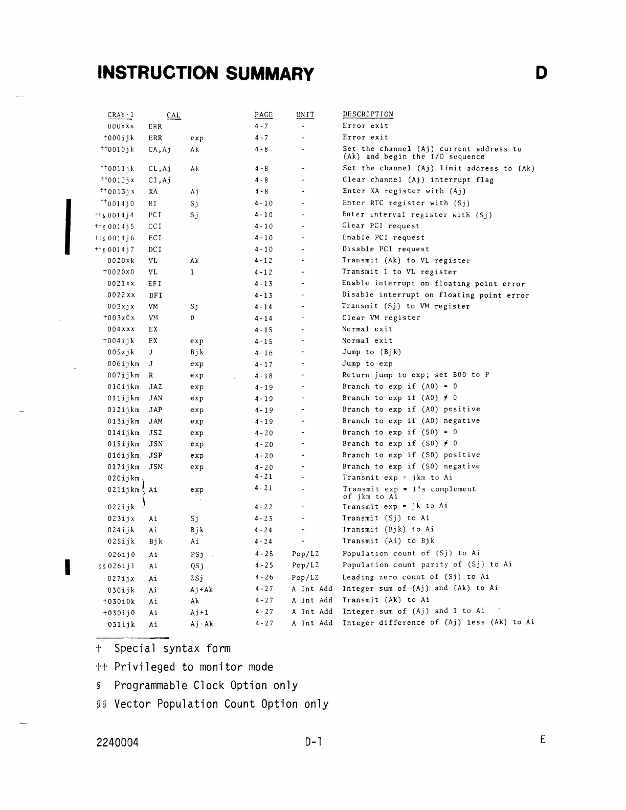
INSTRUCTION SUMMARY
CRA
Y-1
OOOxxx
tOOOijk
tt0010jk
ttOOlljk
tt0012jx
tt0013jx
+t0014jO
+-!-
§ 0014 j 4
tt§0014j5
tt§0014j6
tt§0014j7
0020xk
t0020xO
ERR
ERR
CA,Aj
CL
,Aj
CI ,
Aj
XA
RT
PCI
CCI
ECI
DCI
VL
VL
0021xx
EF!
0022xx
DFI
003xjx
VM
t003xOx
V~I
004xxx
EX
t004ijk
EX
005xjk
J
006ijkm
J
007ijkm
R
010ijkm
JAZ
Ollijkm
JAN
012ijkm
JAP
013ijkm
JAM
014ijkm
JSZ
015ijkm
JSN
016ijkm
JSP
017ijkm
JSM
020
ij
km
~
021ijkm
Ai
022ijk
023ijx
Ai
024ijk
Ai
025ijk
Bjk
026ijO
§§026ij1
027ijx
030ijk
t030iOk
t030ijO
031ijk
Ai
Ai
Ai
Ai
Ai
Ai
Ai
cxp
Ak
Ak
Aj
Sj
Sj
Ak
1
Sj
o
exp
Bjk
exp
exp
exp
exp
exp
exp
exp
exp
exp
exp
exp
Sj
Bjk
Ai
PSj
QSj
ZSj
Aj+Ak
Ak
Aj+1
Aj-Ak
t Special syntax
form
PAGE
4
-7
4-7
4-8
4·8
4 - 8
4-8
4-10
4-10
4-]0
4-10
4-10
4-12
4-12
4-13
4-13
4-14
4-14
4-15
4-15
4-16
4-17
4-18
4-19
4-19
4-19
4-19
4-20
4-20
4-20
4-20
4-21
4-21
4-22
4-23
4-24
4-24
4-25
4-25
4-26
4-27
4-27
4-27
4-27
tt
Privileged to monitor
mode
Pop/LZ
Pop/LZ
Pop/LZ
A
Int
Add
A
Int
Add
A
Int
Add
A
Int
Add
§
Programmable
Clock
Option
only
§§
Vector Population
Count
Option
only
2240004
0-1
DESCRIPTlON
Error
exit
Error
exit
Set
the
channel
(Aj)
current
address
to
(Ak)
and
begin
the
I/O
sequence
Set
the
channel
(Aj)
limit
address
to
(Ak)
Clear
channel
(Aj)
interrupt
flag
Enter
XA
register
with
(Aj)
Enter
RTC
register
with
(Sj)
Enter
interval
register
with
(Sj)
Clear
PCI
request
Enable
PCI
request
Disable
PCI
request
Transmit
(Ak)
to
VL
register
Transmit
1
to
VL
register
Enable
interrupt
on
floating
point
error
Disable
interrupt
on
floating
point
error
Transmit
(Sj)
to
VM
register
Clear
VM
register
Normal
exit
Normal
exit
Jump
to
CBjk)
Jump
to
exp
Return
jump
to
exp;
set
BOO
to
P
Branch
to
exp
if
(AO)
0
Branch
to
exp
if
(AO)
1
Branch
to
exp
if
(AO)
positive
Branch
to
exp
if
(AO)
negative
Branch
to
exp
if
(SO) = 0
Branch
to
exp
if
(SO) 1 0
Branch
to
exp
if
(SO)
positive
Branch
to
exp
if
(SO)
negative
Transmit
exp
jkm
to
Ai
Transmit
exp
of
jkm
to
Ai
l's
complement
Transmit
exp
jk
to
Ai
Transmit
(Sj)
to
Ai
Transmit
(Bjk)
to
Ai
Transmit
(Ai)
to
Bjk
Population
count
of
(Sj)
to
Ai
Population
count
parity
of
(Sj)
to
Ai
Leading
zero
count
of
(Sj)
to
Ai
Integer
sum
of
(Aj)
and
(Ak)
to
Ai
Transmit
CAk)
to
Ai
Integer
sum
of
CAj)
and
1
to
Ai
Integer
difference
of
(Aj)
less
(Ak)
to
Ai
D
E

Table of Contents