EasyManua.ls Logo

Cub Cadet Yanmar Ex32002 - Input Gear

Cub Cadet Yanmar Ex32002
182 pages
Print Icon
To Next Page IconTo Next Page
To Next Page IconTo Next Page
To Previous Page IconTo Previous Page
To Previous Page IconTo Previous Page
Loading...
Ex Series Ex3200
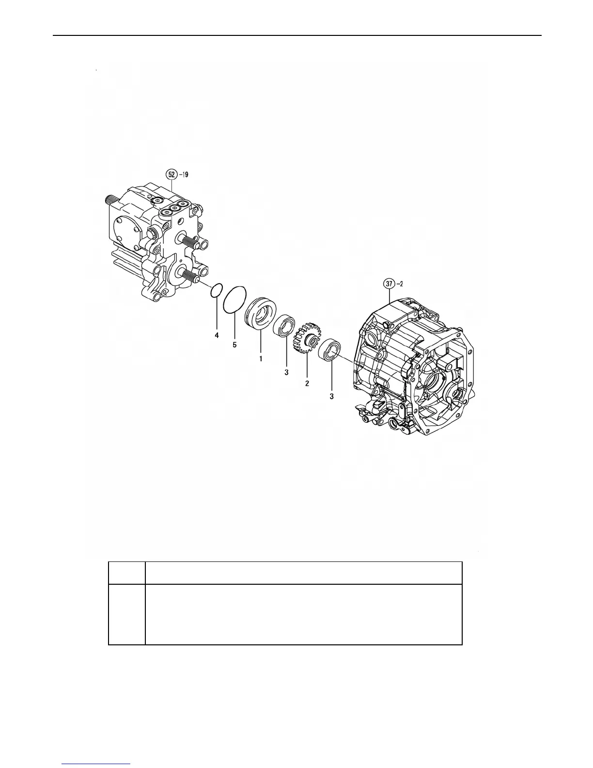
REF
NO.
PART NUMBER DESCRIPTION QTY
1 CY-1A8160-24330 RETAINER, A 1
2 CY-1A8160-25310 PINION 33 1
3 CY-24101-060064 BALL BEARING 2
4 CY-24311-000380 O-RING 1A P-38.0 1
5 CY-24351-310750 PACKING, 31075 1
75
FIG. 40. INPUT GEAR
Copyright 2007 Cub Cadet Yanmar LLC

Table of Contents

Related product manuals