EasyManua.ls Logo

Cub Cadet Yanmar Ex32002 - Lubricating Parts

Cub Cadet Yanmar Ex32002
182 pages
Print Icon
To Next Page IconTo Next Page
To Next Page IconTo Next Page
To Previous Page IconTo Previous Page
To Previous Page IconTo Previous Page
Loading...
Ex Series Ex3200
REF
NO.
PART NUMBER DESCRIPTION QTY
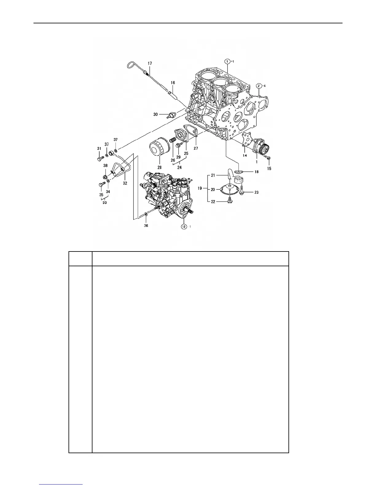
1 CY-129001-32001 PUMP ASSY, ENGINE OIL 1
14 CY-129150-32020 GASKET, ENGINE OIL PUMP 1
15 CY-26450-060252 BOLT M 6X 25 4
16 CY-121520-34810 TUBE, DIPSTICK 1
17 CY-119265-34830 DIPSTICK, ENGINE OIL 1
18 CY-129150-35042 GASKET, (NON-ASB.) 1
19 CY-129129-35090 PICK-UP ASSY, ENGINE OIL 1
20 CY-129129-35010 INLET 1
21 CY-129129-35080 PIPE, ENGINE OIL PICK-UP 1
22 CY-26106-080122 BOLT M 8X 12 PLATED 1
23 CY-26106-080352 BOLT M 8X 35 PLATED 2
24 CY-119802-35100 BRACKET ASSY, FILTER 1
25 CY-119802-35110 BRACKET, FILTER 1
26 CY-129100-35140 STUD 1
27 CY-129150-35111 GASKET, (NON-ASB.) 1
28 CY-129150-35160 FILTER 80X80L 1
29 CY-26106-080202 BOLT M 8X 20 PLATED 3
30 CY-114250-39450 SWITCH,(0.5KG) ENGINE OIL 1
31 CY-124160-39140 BOLT, BANJO 1
32 CY-119802-39450 PIPE ASSY, INJECTION PUMP 1
33 CY-129005-59830 BOLT WITH SEAL 1
34 CY-22190-080002 SEAL WASHER 8S 1
35 CY-23857-030000 BOLT, BANJO 1
36 CY-22190-080002 SEAL WASHER 8S 1
37 CY-22190-100002 SEAL WASHER 10S 2
38 CY-26366-060002 NUT M 6 1
15
FIG. 10. LUBRICATING PARTS
Copyright 2007 Cub Cadet Yanmar LLC

Table of Contents

Related product manuals