EasyManua.ls Logo

Cub Cadet Yanmar Ex32002 - Transmission System Parts

Cub Cadet Yanmar Ex32002
182 pages
Print Icon
To Next Page IconTo Next Page
To Next Page IconTo Next Page
To Previous Page IconTo Previous Page
To Previous Page IconTo Previous Page
Loading...
Ex Series Ex3200
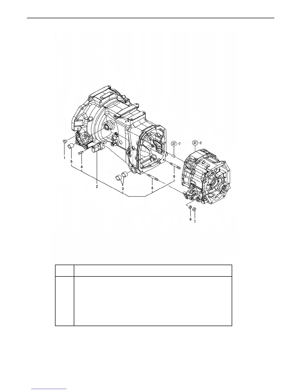
REF
NO.
PART NUMBER DESCRIPTION QTY
1 CY-194450-11190 PLUG 15 6
2 CY-1A8160-21100 HOUSING, CLUTCH CMP 1
3 CY-194740-06080 BUSH 25X30X18 4
4 CY-194190-22250 PIN 2
5 CY-194130-22280 BUSH 20X25X25 2
6 CY-26216-100802 STUD M10X 80 PLATED 2
7 CY-26716-100002 NUT 10 2
8 CY-22217-100000 SPRING WASHER 10 2
62
FIG. 29. CLUTCH HOUSING
Copyright 2007 Cub Cadet Yanmar LLC

Table of Contents

Related product manuals