EasyManua.ls Logo

Daher TBM 900 - Page 550

Default Icon
996 pages
Print Icon
To Next Page IconTo Next Page
To Next Page IconTo Next Page
To Previous Page IconTo Previous Page
To Previous Page IconTo Previous Page
Loading...
Pilot's Operating Handbook
Section 7
Description
Edition 0 - October 31, 2013
Rev. 4
Page 7.8.5
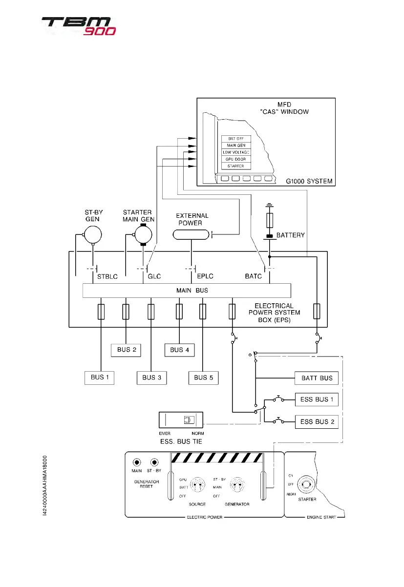
Figure 7.8.1 - Electrical diagram
PIM - DO NOT USE FOR FLIGHT OPERATIONS

Table of Contents

Related product manuals