EasyManua.ls Logo

Danfoss FC 101 - Page 68

Danfoss FC 101
124 pages
Print Icon
To Next Page IconTo Next Page
To Next Page IconTo Next Page
To Previous Page IconTo Previous Page
To Previous Page IconTo Previous Page
Loading...
B
a
c
k
OK
Com.
On
Warn.
Alarm
Hand
On
O
Reset
Auto
On
Menu
Status Quick
Menu
Main
Menu
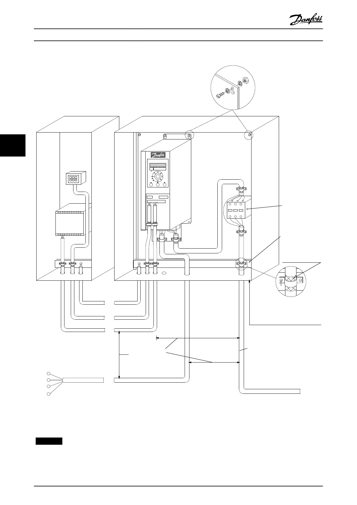
L1
L2
L3
PE
Min. 16 mm
2
Equalizing cable
Control cables
All cable entries in
one side of panel
Earthing rail
Cable insula-
tion stripped
Output con-
tactor etc.
Motor cable
Motor, 3 phases and
PLC etc.
Panel
Mains-supply
Min. 200mm
between control
cable, mains cable
and between mains
motor cable
PLC
Protective earth
Reinforced protective earth
130BB761.11
Illustration 5.20 EMC-correct Electrical Installation
NOTICE
For North America use metal conduits instead of shielded cables.
How to Install
VLT
®
HVAC Basic Drive FC 101 Design Guide
66 MG18C502 - Rev. 2013-09-06
55

Table of Contents

Other manuals for Danfoss FC 101

Related product manuals