EasyManua.ls Logo

Danfoss Turbocor TT-300 - Page 7

Danfoss Turbocor TT-300
68 pages
To Next Page IconTo Next Page
To Next Page IconTo Next Page
To Previous Page IconTo Previous Page
To Previous Page IconTo Previous Page
Loading...
Getting Started
4 Danfoss Turbocor Compressors Inc.
ECD-00007M Rev. 1
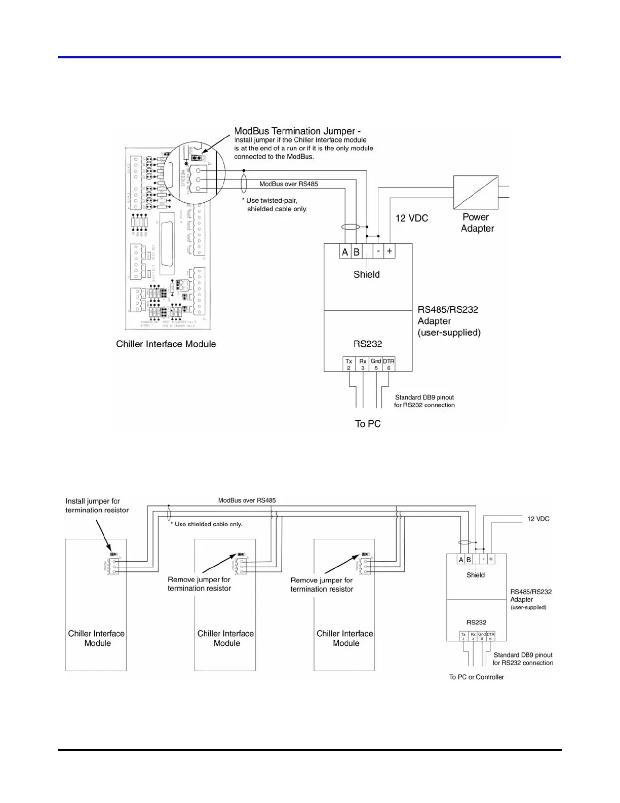
Figure 2 PC to Modbus Connection (single compressor with > 10 m cable length)
Figure 3 PC to Modbus Connection (multiple compressors with > 10 m cable length)

Table of Contents

Related product manuals