EasyManua.ls Logo

Danfoss VLT series

Danfoss VLT series
158 pages
To Previous Page IconTo Previous Page
To Previous Page IconTo Previous Page
Loading...
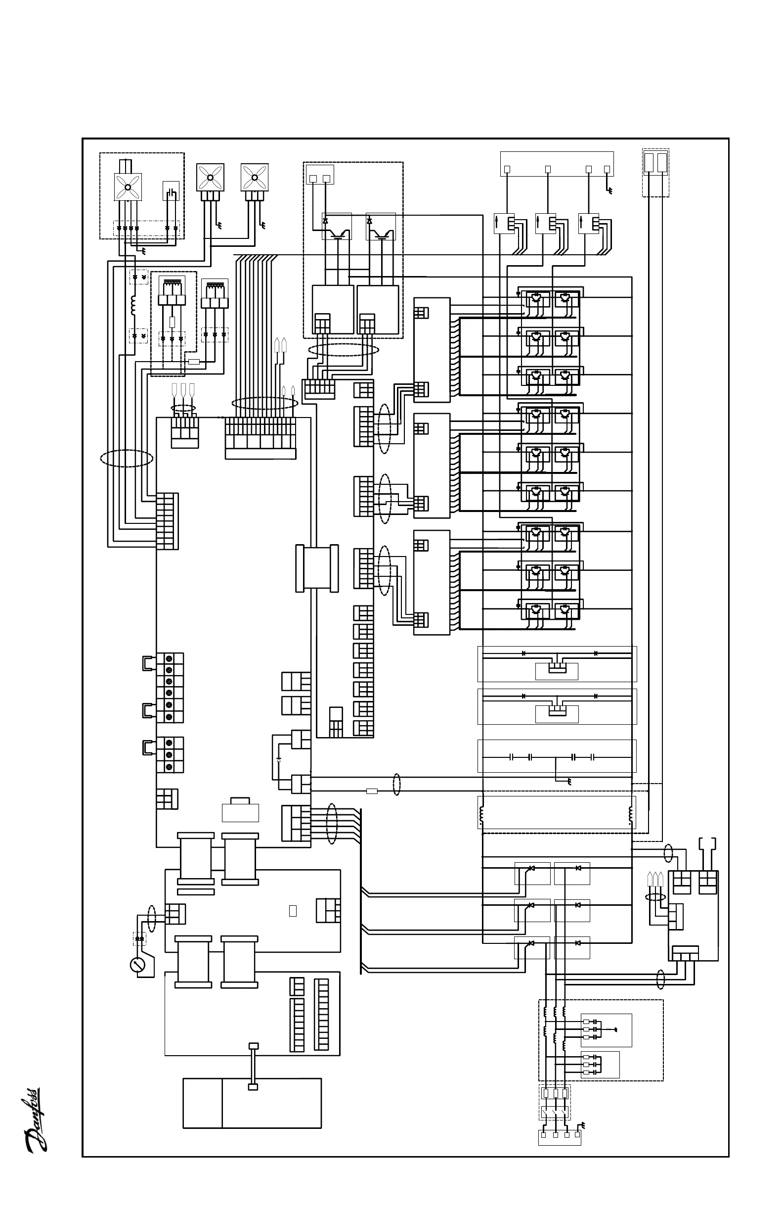
9-14
VLT is a registered Danfoss trademark
DC INDUCTOR
GND
L1
R
MK105
RS-485
MK100
ANALOG I/O
MK101
DIGITAL INPUTS
6055545350
45423913120504
696861
3332292720
19181716
CONTROL CARD
LCP1
PANEL
CONTROL
DISPLAY
S
L2
T
L3
-
M
+
IU
IV
+
M
-
GND
U
V
W
-
M
IW
+
FAN
HEATSINK
FAN CAPACITOR
R'
S+-
UN
UP
UN
UP
VN
VP
-
+
-
+
R+
R-
BRAKE IGBT
R
S
T
-SCR
+SCR
SOFTCHARGE BOARD
HEATSINK
+DC
-DC
HF CARD
R' S'
T'
R'
S'
T'
NTC
HEATSINK/DOOR
FAN TRANSFORMER
DC CAP BANK
ECO
NOP
ACK+ M
ODULE
COM
OUT
IN
91
92
93
94
95
98
97
96
89 (118)
88 (117)
81
82
UDC+
UDC-
UDC-
UDC+
EXT BRAKE
1
2
3
4
5
6
1
2
3
1
2
3
1
2
3
4
5
6
DOOR FAN
FAN+
FAN-
GND
MK1
C
B
A
BAL CKT
MK1
MK2
A
C
A
B
RS+
RS-
MK3MK4
VN
WN
VP
WP
WN
WP
UDC-
-
+
BAL CKT
B
C
MK1
A
+
-
UDC+
DC CAP BANK
NTC
ECONOP
ACK+ M
ODULE
RESISTOR
BRAKE OPTION
BRAKE IGBT
PCA1
CBL5
2
2
1
1
HEATSINK NTC
TH1
CN1
CN2
TR1
CN3
F1
F2
C1
FU3
DISC/FUSE OPTION
FU2
FU1
RFI OPTION
RFI CARD
SW1
RS
T
SCR1
SCR2
SCR3
PCA9
L1
CBANK1 LOWER
CBANK2 UPPER
R1
IGBT1
IGBT2
C2
C3
C4
C5 C6
C7
L2
L3
L4
IGBT4
IGBT5
PCA12
PCA16
PCA10
PCA11
CBL12
CBL21
CBL13
CBL14
CBL24
CBL9
CBL25
LOAD SHARE OR (REGEN OPTION)
TB3
TB1
TB2
TB4
FU5
PCA3
GATE DRIVE CARD
POWER CARD
MK104
MK103
1
28
1
28
FK103
FK102
MK100
MK102
MK104
MK101
TEST CONNECTOR
4
PCA4
SCALING
CURRENT
T
S
R
4
2
35
-
3
1
36
+
RFI/HF SWITCH
FK100
EXT 24V
635
2
1
INTERFACE CARD
MK103
1
S201
PCA2
ON
1 2
29
CBL2
CBL1
1
29
CBL4
MK110
MK105
1
GATE DRIVER
SCR
MK100
1
29
43
P400 CC
CBL3
LEGACY
29
43
CARD
MK104
+DC
NCNOC
+DC
CNONC
GUN
MK101
VDD
RL2
MK250
GUN
EUN
2
1
AB
2
3
AC
MK550
MK350
MK450
MK650
GUP
GUP
EUP
3
1
2
GVN
EVN
3
1
2
GVN
3
GVP
EVP
1
3
2
GVP
GWN
EWN
1
3
2
GWN
RFI SW
2
34
PRE TEST
6
5
MK111
MK105
-DC
MK400
-DC
FK101
RELAY
AUX 2
FK100
RELAY
AUX 1
29
HS NTC
TMP_N
TMP_P
2
1
3
11
1
3
105
NO
18 PULSE NTC
MK103
GND
TMP
2
13
104
C
106
NC
21
100
AUX_S
102
S
6
5
4
103
T
AUX_T
101
3
2
1
MAINS
GBP
GBP
BRN
CBL16
MK102
MK750
MK850
GWP
EWP
1
3
2
GWP
GBP
BRN
2
1
3
BRK
GUN
GUP
GUP
1
6
2
U
GUN
7
PCA5
CBL17
MK106
MK109
MK100
MK103
MK104
TMP-
TMP+
2
1
3
NTC
CBL19
CBL18
MK105
15
1
RFI FAN
1
2
6
GND
VDD
FAN O
9
13
12
-
10
SENS
CUR
HF SW
IU'
IW'
MK102
CURRENT
SENSORS
IV'
5
VNEG
RL2
VDD
15
14
16
IW1
VPOS
VNEG
8
7
6
2
IU1
VPOS
VNEG
IV1
4
3
DET
VPOS
1
11
T
1
6
+
CBL5
T'
MK107
L2
L1
FANS
L1
L1
L2
13
11
5
4
3
X2
AUX_S
L1
AUX_S
AUX_T
X1
AUX_T
912
1
16 8
CBL9
MK106
R
S
3
8
5
10
S'
CBL6
TEMP SWITCH
(DISABLE MAINS RECTIFIER)
EXTERNAL BRAKE
AUX FAN
CBL7 CBL7
EUP
EUP
4
5
EUN
EUN
910
7
GUN
GUN
GUP
GUP
1
2
6
EUN
EUN
EUP
EUP
4
5
910
V
7
GUN
GUN
GUP
GUP
1
2
6
EUN
EUN
EUP
EUP
4
5
910
W
COL
BRAKE GATE
RES CARD
PCA14
EM
GATE
MK1
BRK
G2
1
E2
4
6
E1/C2
BRAKE GATE
PCA13
RES CARD
EM
GATE
BRK
4
E2
G2
1
MK1
E1/C2
6
COL
BRK
5
BRC
7
BRN
10
BRC
DIFF. MODE
PCA15
MK1
MK2
MK3
MK7
MK5
MK6
D1
D2
D3
ELO3
GATE RESISTOR CARD
CUP2
CUP1
GUP1
EUP1 GLO1
ELO1
EUP2
PCA8
GUP2
ELO2
GLO2
CUP3
GUP3
GLO3
EUP3
4
GUP1
GLO1
EUP1
ELO1
W
MK100
1
5
8
NTC
OUT
IN
NTC1
NTC2
NTC
MK103
3
2
1
VN
ECONOP
ACK+ M
ODULE
IGBT3
WN
C8
VP
WP
C9
WN
NTC
WP
C10
ELO2
GATE RESISTOR CARD
CUP1
CUP2
EUP1
GUP1
ELO1GLO1
PCA7
EUP2
GUP2
GLO2
ELO1
EUP1
GLO1
GUP1
MK100
V
8
5
1
4
ELO3
GUP3
CUP3
EUP3
GLO3
NTC
OUT
IN
NTC2
NTC1
MK103
NTC
1
2
3
ELO2
GATE RESISTOR CARD
CUP1
CUP2
EUP1
GUP1
ELO1GLO1
PCA6
EUP2
GUP2
GLO2
ELO1
EUP1
GLO1
GUP1
MK100
U
8
5
1
4
ELO3
GUP3
CUP3
EUP3
GLO3
NTC
OUT
IN
NTC2
NTC1
MK103
NTC
1
2
3
F3
DOOR FAN
GND
FAN-
FAN +
CUP1
GUP1
EUP1
GLO1
ELO1
CUP2
GUP2
EUP2
GLO2
ELO2
CUP3
GUP3
EUP3
GLO3
ELO3
CUP1
GUP1
EUP1
GLO1
ELO1
CUP2
GUP2
EUP2
GLO2
ELO2
CUP3
GUP3
EUP3
GLO3
ELO3
CUP1
GUP1
EUP1
GLO1
ELO1
CUP2
GUP2
EUP2
GLO2
ELO2
CUP3
GUP3
EUP3
GLO3
ELO3
FU4
NOTE: F3 NOT INSTALLED
ON CHASSIS UNITS
BLK
RED
WHT
BLK
RED
WHT
2
2
1
1
2
2
1
1
CN4
CN5
L5
WHT
BLU
ORN
GRN
BLK
BLK
WHT
BLK
BLK
GRN
WHT
BRN
BLK
HS FAN ASSEMBLY
FILTER
LOAD SHARE WIRES
REGEN WIRES
20mH
-
+
BLK
1
1
CN2
3
2
BLK
3
2
BLK
COM
TR1
IN
OUT
FU4
1
2
3
NOTE: DIFFERENT CONFIGURA
TION
(FU4-TR1) FOR VLT 5402
1
1
E1 525-600/690 VAC
10-6

Table of Contents

Other manuals for Danfoss VLT series

Related product manuals