EasyManua.ls Logo

Datalogic DX8200A - Page 30

Datalogic DX8200A
97 pages
Print Icon
To Next Page IconTo Next Page
To Next Page IconTo Next Page
To Previous Page IconTo Previous Page
To Previous Page IconTo Previous Page
Loading...
DX8200A
2
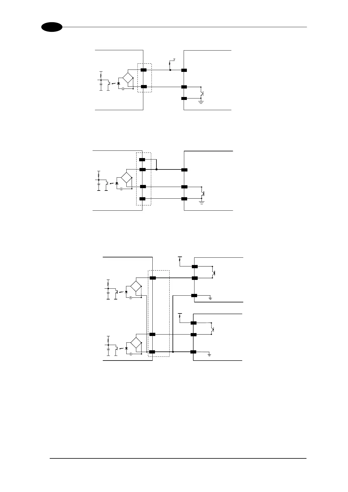
EXTERNAL TRIGGER/ENCODER
DX8200
A/B
Vext
B/A
V
+ 5V
~
~
+
-
Ground
Figure 10 - NPN Command Input Connection using External Power
EXTERNAL TRIGGER/ENCODER
DX8200A
A/B
B/A
GND
V
+ 5V
~
~
+
-
Ground
VS
Figure 11 - NPN Command Input Connection using Scanner Power
EXTERNAL DEVICE
DX8200A
IN3A
Vext
Ground
V
+ 5V
~
~
+
-
Ground
V
IN4A
+ 5V
~
~
+
-
INREF
Vext
Figure 12 – IN3/IN4 PNP Input Command using External Power
14

Table of Contents

Other manuals for Datalogic DX8200A

Related product manuals