EasyManua.ls Logo

Denon AVR-X1100W

Denon AVR-X1100W
171 pages
To Next Page IconTo Next Page
To Next Page IconTo Next Page
To Previous Page IconTo Previous Page
To Previous Page IconTo Previous Page
Loading...
fig.04a
COAX1(CBL/SAT)
ADSP21487KSWZ-3B
DSP
DIGTAL IN
ADINL
ADINR
FL
FR
C
SW
SL
SR
SBL
SBR
DSP1IN64FS
DSP1INFS
DSP1INF/FL
DSP1INCSW/C
DSP1INS/SL
PCM1690
DAC
NETWORKED MEDIA
CX870(CY920)
MODULE
ETHERNET
OPT1(TV)
OPT2(CBL/SAT)
SERIAL FLASHSDRAM
16M64M
DSP1INSB/SR
OPT.1
OPT.2
DSP1INMCK
USB
DSP1IN-/FR
W9864G6JH-6
TX+/-
RX+/-
USBD-
USBD+
23671011050AS
IPOD AUTH.
RJ-45 with Transformer
DACDATAF
Z2 NETWORK
PCM5100
DAC
NET_L
NET_SPDIF
DSP1OUT64FS
DATAF
DATAC
DATAS
DATASB
DSP1OUTFS
PCM9211PTR
ADC+DIR
ADINL
ADINR
NET_USB_MCK
NET_USB_BCK
NET_U
SB_LRCK
NET_USBDATA
(MFI337S3959)
MX25L1606EM2I-12G
NET_USB_MCK
NET_SPDIF
MX25L25635FMI-10G
SERIAL FLASH
256M
HDMI TX(MN8647781)
COAX.1
DACFS
DAC64FS
DAC256FS
5M80ZT100C5N
AUDIO PLD
TXFS
TXI2S0
TX64FS
64FSDIR1
256FSDIR1
FSDIR1
MCLK1
SBCK
SLRCK
DATADIR1
/AUDIO1
DIR1PERR
RX256FS
RX64FS
RXFS
RXI2SO
PLD_SPDIF
NET_R
ANT1
ANT2
PLD_SPDIF
DIR_CE
DIR_DIN
DIR_DOUT
DIR_CLK
DIR_RST
(From/To MCU)
DAC_MUTE
DAC_MS
DAC_DATA
DAC_RST
DAC_CLK
(From MCU)
DSP_MISO
DSP_CLK
DSP_MOSI
DSP_RST
(From / To MCU)
DSP_CS
DSP_FLAG0
OTHER : OPT 2 / COAX NONE
E3 : OPT NONE / COAX 1
HDMI RX(MN864778A)
ADV7623
(DVD)
(MEDIA Player)
F-HDMI IN
HDMI IN1
HDMI IN2
HDMI IN3
(AUX)
(CBL/SAT)
AD8195
Buffer
(Blu-ray)
(GAME)
HDMI IN4
HDMI IN5
TMDS
TMDS TMDS
TMDS
TMDS
TMDS
TMDS
TMDS
TMDS
350MHz
DACDATAC
DACDATAS
DACDATASB
NET_USB_BCK
NET_USB_LRCK
NET_USBDATAF/FL
NET_USBDATA-/FR
I2S_DATA/CLK
I2S_DATA/CLK
I2S_DATA/CLK
TC74VHC157FT X 2
BT MODULE
RX/TX/BT_ACTIVE/WLAN_ACTIVE
(ONLY CX870)
(CY920 ONLY)
24.576MHz
21.875MHz
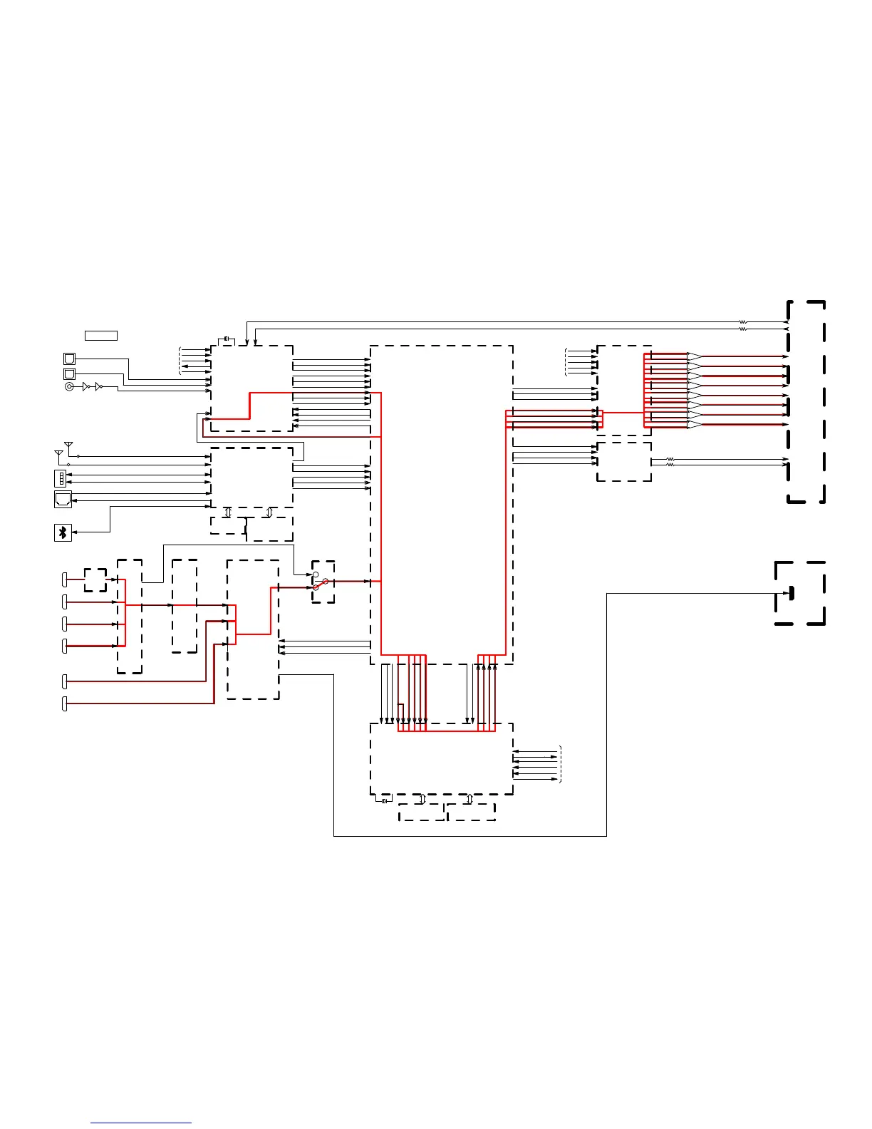
AVR-S700W/X1100W DIGITAL AUDIO BLOCK
ANALOG AUDIO BLOCK
HDMI OUT
30

Table of Contents

Other manuals for Denon AVR-X1100W

Related product manuals