EasyManua.ls Logo

Denon AVR-X1100W

Denon AVR-X1100W
171 pages
To Next Page IconTo Next Page
To Next Page IconTo Next Page
To Previous Page IconTo Previous Page
To Previous Page IconTo Previous Page
Loading...
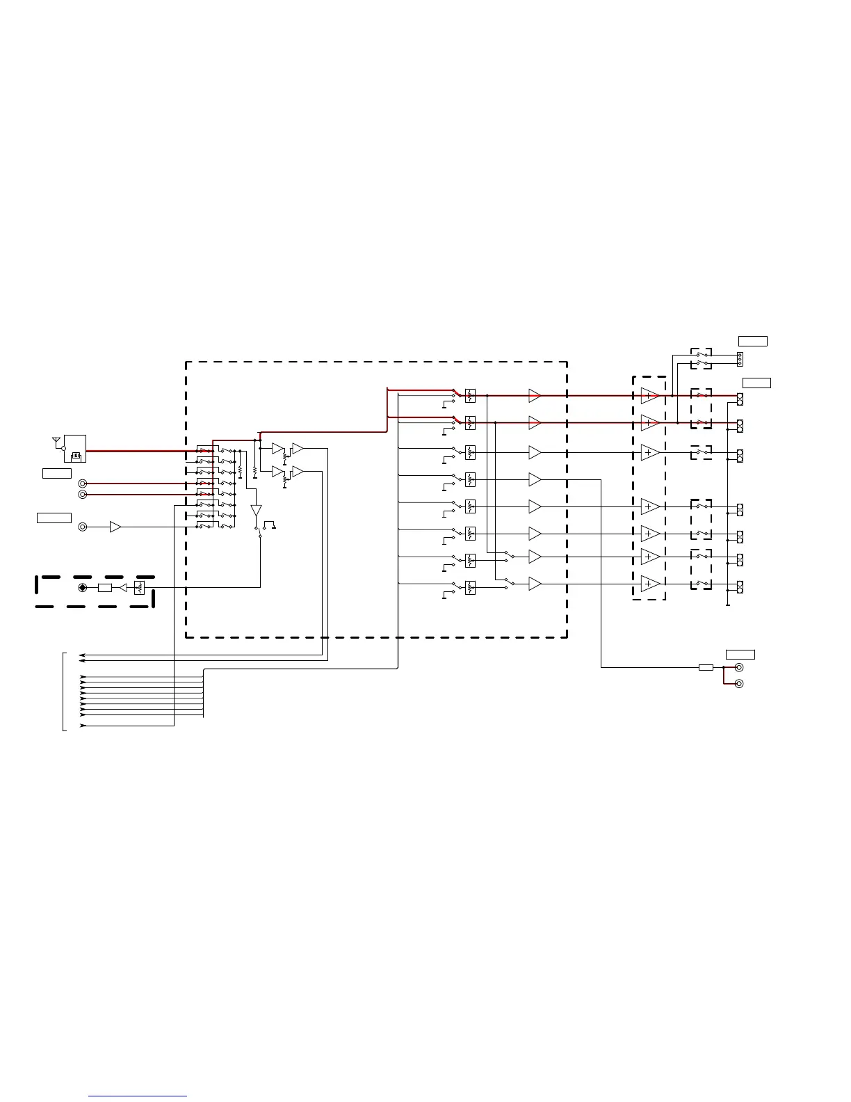
fig.07
AUDIO IN
CEN
FR
FL
+
-
-
+
-
+
AVR-S700W/X1100W ANALOG AUDIO BLOCK
+
-
-
+
SL
SR
NJU72340A
VOL IC
SPK OUT
PRE OUT
MAIN
TUNER
CBL/SAT
MIC(AUTO SETUP)
SW1
MUTE
AUDYSSEY
Media Player
P-AMP
MUTE
DA_FL
DA_FR
DA_CEN
DA_SW
DA_SL
DA_SR
DA_SBL
DA_SBR
ANA_FL
ANA_FR
H/P L
GND
H/P R
H/P OUT
+
-
-
+
SBL
SBR
BD3812F
VOL IC
SW2
32.768kHz
FM/AM
DA01
DA02
DA03
DA04
DA05
DA06
DA03
DA04
DA05
DA06
DA07
DA08
ANA01
DA07
DA08
DA01
DA02
ANA01
ANA02
AD_FL
AD_FR
TO DIGITAL
AUDIO BLOCK
DA_FL
DA_FR
DA_CEN
DA_SW
DA_SL
DA_SR
NETWORK
ZONE2
AVR-X1100W E3 ONLY
DA_SBL
DA_SBR
(FL-H/FL-B/BI-AMP-FL/ZONE-FL)
(FR-H/FR-B/BI-AMP-FR/ZONE-FR)
34

Table of Contents

Other manuals for Denon AVR-X1100W

Related product manuals