EasyManua.ls Logo

Diatron ABACUS 4 - Main Mechanic and Fluidic Parts of the Analyzer

Default Icon
62 pages
Print Icon
To Next Page IconTo Next Page
To Next Page IconTo Next Page
To Previous Page IconTo Previous Page
To Previous Page IconTo Previous Page
Loading...
Abacus 4 Service Manual
15
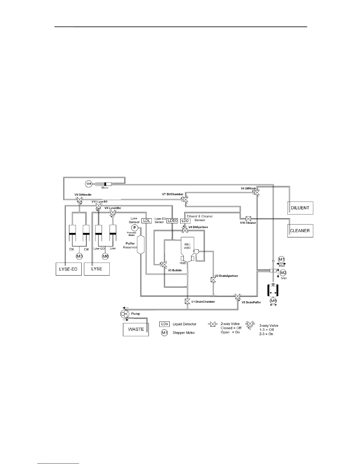
2.2. Main mechanic and fluidic parts of the Analyzer
ABACUS 4 Hematology Analyzer consists of the following mechanic and fluidic parts:
1. Sample rotor
2. Sampling needle
3. Washing head
4. H&V moving unit
5. Micro Dilutor
6. Dilutor
7. Chamber
8. Cell-counter probe
9. Puffer reservoir
10. Pump
11. Valves
12. Tubing

Table of Contents

Related product manuals