EasyManua.ls Logo

Diatron ABACUS 4 - Initialization of the Fluidic System; Sampling Process

Default Icon
62 pages
Print Icon
To Next Page IconTo Next Page
To Next Page IconTo Next Page
To Previous Page IconTo Previous Page
To Previous Page IconTo Previous Page
Loading...
Abacus 4 Service Manual
28
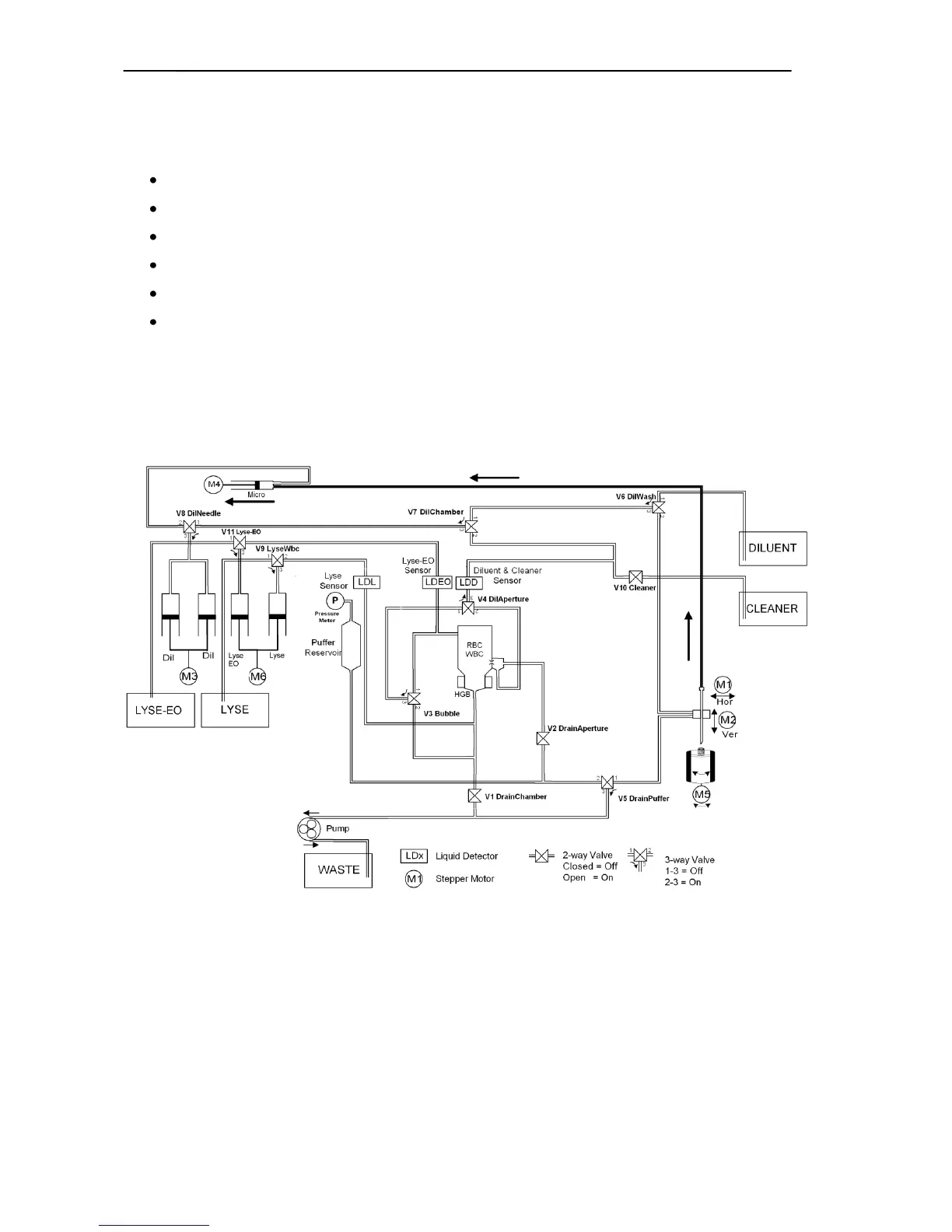
3.2. Initialization of the Fluidic System
Fluidic initialization process performs the following steps:
Checking of valves by turning all on/off
Checking of pump and pressure sensor by generating measuring vacuum
Positioning all mechanical components by scanning moving range (with end-switches)
Priming of reagents and calibrating reagent sensors
Cleaning of tubing & measuring chamber
Cleaning of aperture with high-pressure back-flush, cleaner reagent & high-voltage
burning
3.3. Sampling process
The aspirating needle aspirates 25 µl of blood sample. The Micro-dilutor syringe makes the
aspirating while the M4 Micro-dilutor motor moves down.
There are three sampling process during the 5-part measurement cycle (Lyse2,MIX,RBC) In
a three part cycle the Lyse2 sampling is missing and the MIX sample volume can be 50 µl if
prediluted mode is used.

Table of Contents

Related product manuals