EasyManua.ls Logo

Diatron ABACUS 4 - Counting Process

Default Icon
62 pages
Print Icon
To Next Page IconTo Next Page
To Next Page IconTo Next Page
To Previous Page IconTo Previous Page
To Previous Page IconTo Previous Page
Loading...
Abacus 4 Service Manual
33
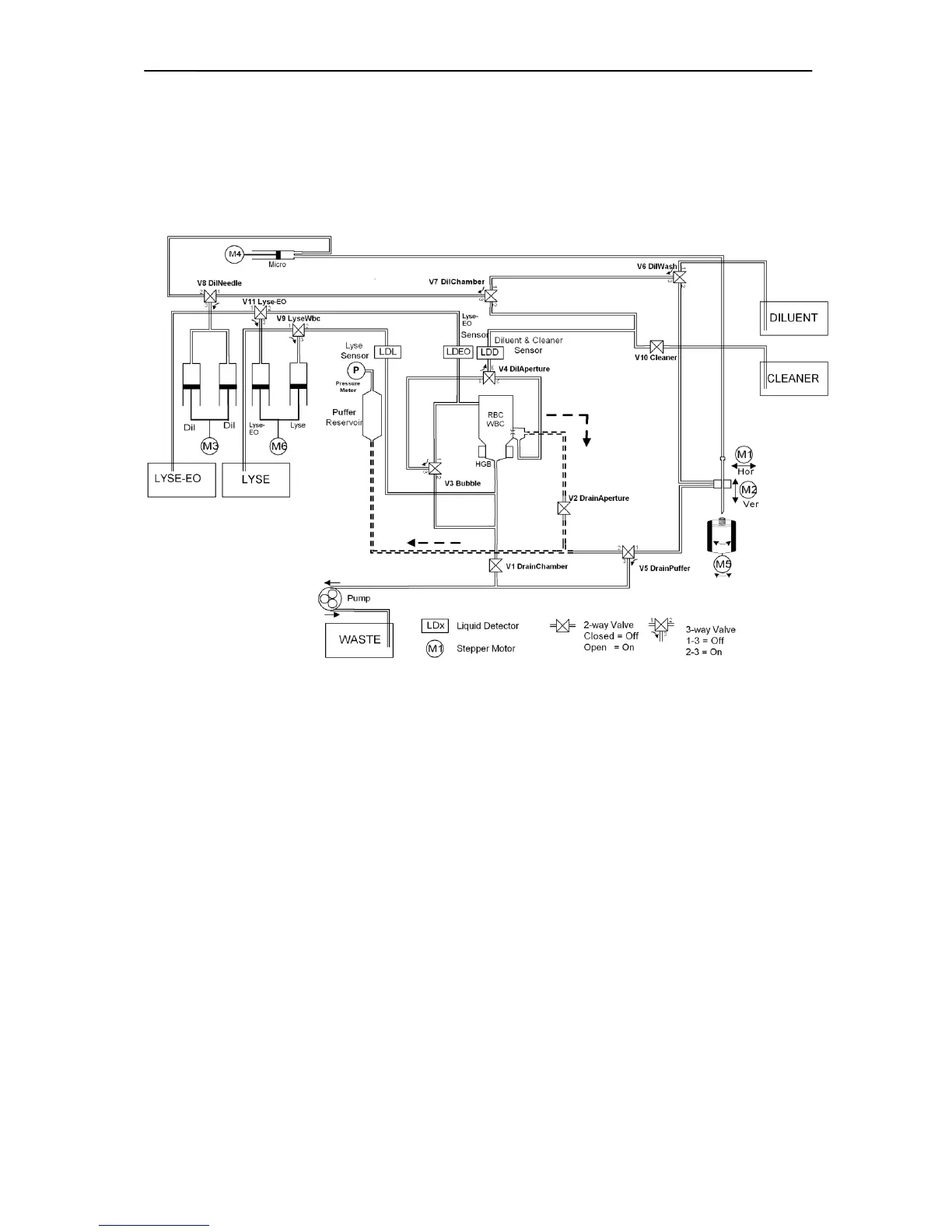
3.7. Counting process
The regulated vacuum (it is generated by the pump in the puffer reservoir) aspirates the diluted
sample (LyseEO, WBC or RBC) from the chamber through V2 (On) valve. The instrument
counts the cells for 8 seconds in all counting phases (Lyse2, WBC and RBC).
For noise prevention there is no mechanical or electronic activity during the counting process
and the door should be closed for better shielding.

Table of Contents

Related product manuals