EasyManua.ls Logo

Dionex UltiMate 3000 - Page 48

Dionex UltiMate 3000
73 pages
Print Icon
To Next Page IconTo Next Page
To Next Page IconTo Next Page
To Previous Page IconTo Previous Page
To Previous Page IconTo Previous Page
Loading...
UltiMate 3000 Nano and Cap- System Installation and Application
44
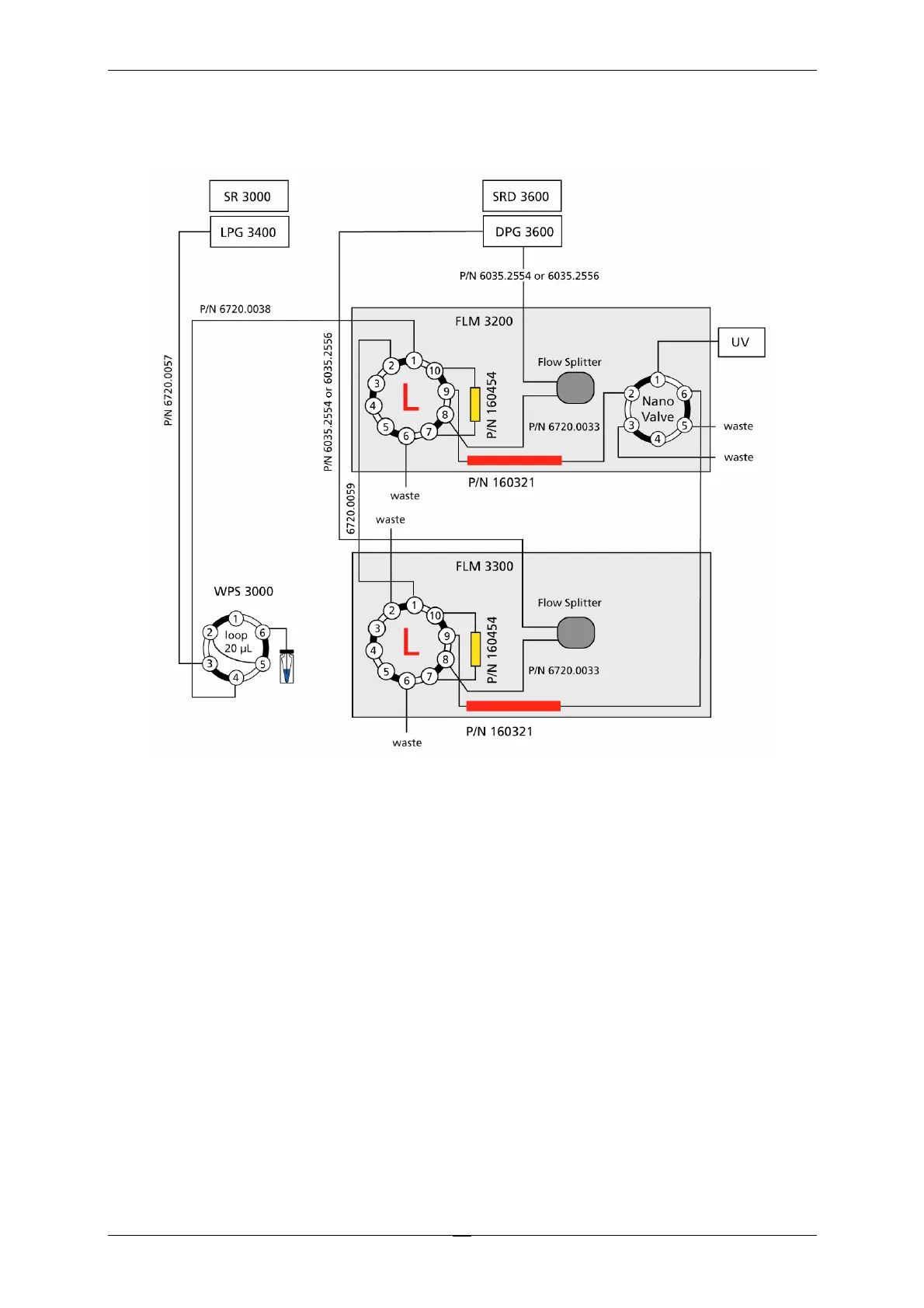
The part numbers in Fig. 22 refer to nano HPLC (standard devices):
Fig. 22: Fluid connections for parallel LC (nano HPLC; standard devices)

Other manuals for Dionex UltiMate 3000

Related product manuals