EasyManua.ls Logo

DLS FlexxPump 125 B - Page 22

DLS FlexxPump 125 B
52 pages
Print Icon
To Next Page IconTo Next Page
To Next Page IconTo Next Page
To Previous Page IconTo Previous Page
To Previous Page IconTo Previous Page
Loading...
revision: 1
FlexxPump 125 B
User Manual
22
EN-
SCHMIERSYSTEME
DIRECT LUBRICATION SYSTEMS
D L S
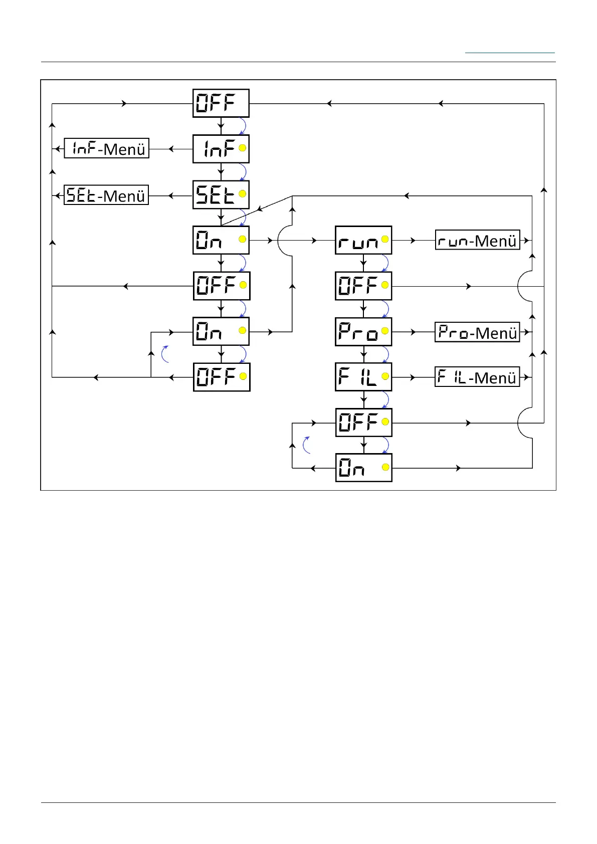
The graphic above illustrates the unchangeable basic owchart of the FlexxPump 125
B menu navigation as well as the options for branching to the Sub-Menus.
The FlexxPump 125 B can be switched on and off at several points in the menu
navigation. For details see chapter 6.3.3.
The INF-Menu can only be accessed from the OFF mode (FlexxPump 125 B is
switched off). The INF-Menu provides you with an informative overview of the current
FlexxPump 125 B settings. For details see chapter 6.3.4 and 6.3.5.
The SET-Menu can only be accessed from the OFF mode (FlexxPump 125 B is
switched off). The SET-Menu allows you to make changes to the operating mode.
Details can be found in chapter 6.3.6.
The RUN-Menu can only be accessed from the ON mode (FlexxPump 125 B is
switched on). The RUN-Menu allows you to manually trigger a single donation at the
FlexxPump 125 B. For details see chapter 6.3.7.

Related product manuals