EasyManua.ls Logo

Doosan G424FE - SECM Wiring Diagrams for G424 F LP Engine

Doosan G424FE
306 pages
Print Icon
To Next Page IconTo Next Page
To Next Page IconTo Next Page
To Previous Page IconTo Previous Page
To Previous Page IconTo Previous Page
Loading...
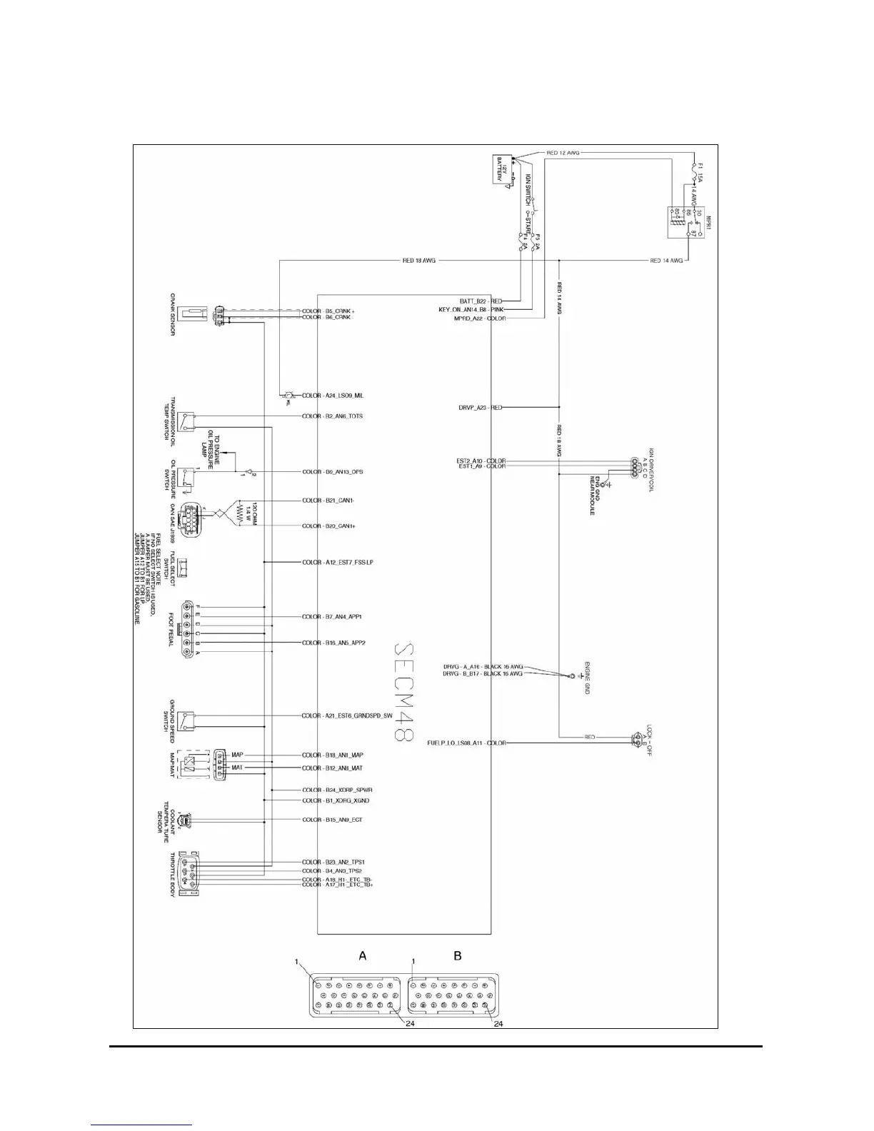
G424F(FE) Service Manual Chapter 5. Engine Management System (EMS) 160
SECM Wiring Diagrams for G424F LP Engine

Table of Contents

Related product manuals