EasyManua.ls Logo

Doosan G424FE - Components Location

Doosan G424FE
306 pages
Print Icon
To Next Page IconTo Next Page
To Next Page IconTo Next Page
To Previous Page IconTo Previous Page
To Previous Page IconTo Previous Page
Loading...
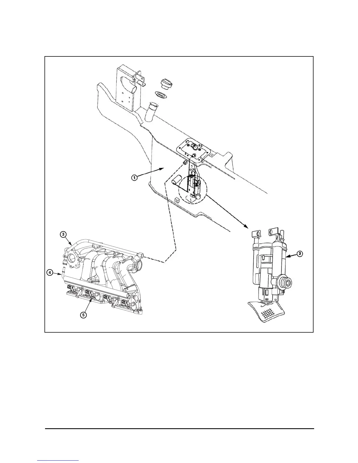
G424F(FE) Service Manual 213 Chapter 7. MPI Gasoune Fuel Delivery System
Components Location
1. Fuel Tank
2. Fuel Pump (Including full pressure regulator and fuel filter)
3. Fuel Hose Assy
4. Fuel Rail
5. Injector

Table of Contents