EasyManua.ls Logo

DOTECH UIC-DX270 - Control Power Input

DOTECH UIC-DX270
40 pages
Print Icon
To Next Page IconTo Next Page
To Next Page IconTo Next Page
To Previous Page IconTo Previous Page
To Previous Page IconTo Previous Page
Loading...
UIC-DX270 Series User’s Manual Rev 1.0
- 16 -
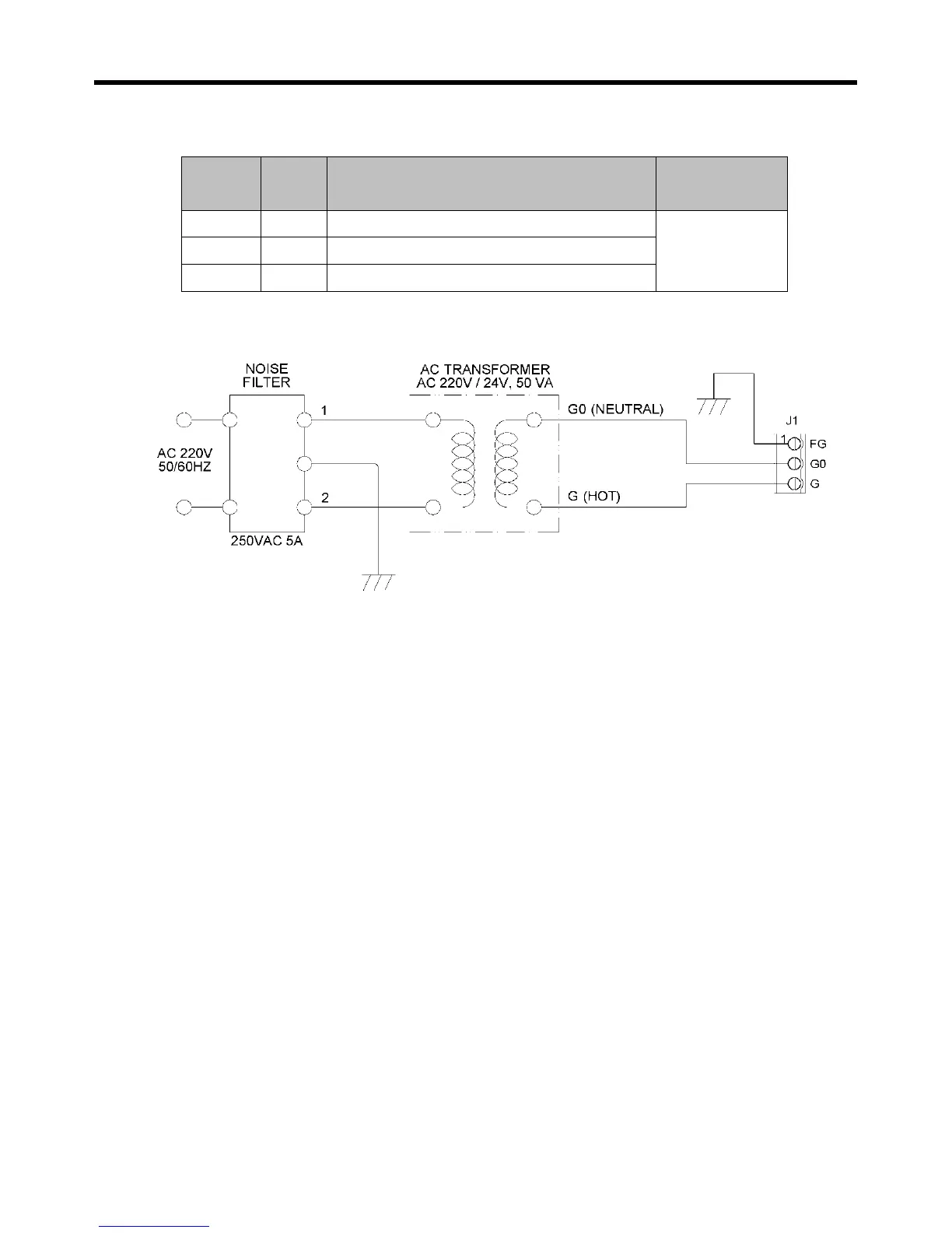
6) CONTROL POWER INPUT
Pin Name Function Type
J1.1 FG FIELD GROUND (CASE SHIELD)
J1.2 G0 AC24V(-) or DC24V(-)
J1.3 G AC24V(+) or DC24V(+)

Related product manuals