EasyManua.ls Logo

Dräger Oxylog 3000 plus - Functional Description

Dräger Oxylog 3000 plus
174 pages
Print Icon
To Next Page IconTo Next Page
To Next Page IconTo Next Page
To Previous Page IconTo Previous Page
To Previous Page IconTo Previous Page
Loading...
Instructions for use Oxylog 3000 plus SW 1.n 161
Description
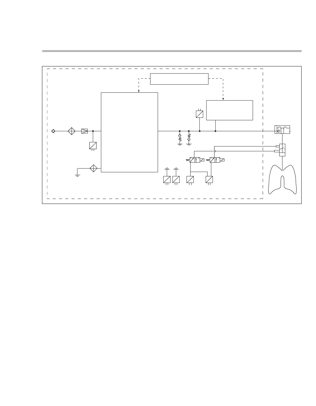
Functional description
The various pneumatic actuators in
Oxylog 3000 plus are controlled by the
microprocessor system via digitized electrical
signals.
Gas supply
The supply gas O2 is purified by filter F1 and
adjusted to a constant pressure by pressure
reducer DR. Atmospheric air is drawn in through
filter F2 as required. The supply pressure is
monitored by pressure sensor S3.
Inspiration
Gas blender V1-3 delivers the variable inspiration
flow as a mixture of supply gas O2 and ambient air
in accordance with the ventilation mode and
required O
2 concentration. The tidal volume is
applied regardless of ambient pressure (absolute
pressure sensors S7 and S9) under patient
conditions BTPS for volume-controlled breathing;
the applied tidal volume corresponds with that set
for BTPS, taking into account the ambient
pressure. In this way, Oxylog 3000 plus meters and
measures roughly 10 % less volume in operation
with a test lung (dry gas at room temperature).
Expiration
During volume-controlled inspiration, Pressure
Control V6 closes the inspiratory canal and controls
the PEEP pressure during expiration or reduces the
pressure in the inspiratory hose to control the PS,
Pinsp or Pmax pressure when the target values are
reached. Breathing valve V10 on the patient side,
which is indirectly controlled by V6, seals off
against atmospheric air during inspiration and
adjusts the required patient pressure during
expiration by controlling the pressure in the
inspiratory hose. The measured value of the airway
pressure sensor S5 on the patient side serves as a
set point for pressure regulation.
10737171
Microprocessor system
Pressure control V6
O
2
F1
F2
DR
SV
S8
S4
S9 S7 S5 S6
NV
V10
V7 V8
S3
Gas blender
V1 - 3
P
P
E
P
E
P
E
P
E
P
E
E
Human lung

Table of Contents