EasyManua.ls Logo

E-Mu MP-7 command station - Page 163

E-Mu MP-7 command station
388 pages
Print Icon
To Next Page IconTo Next Page
To Next Page IconTo Next Page
To Previous Page IconTo Previous Page
To Previous Page IconTo Previous Page
Loading...
MP-7 Owners Manual 151
Global Menu
Defining Global Parameters
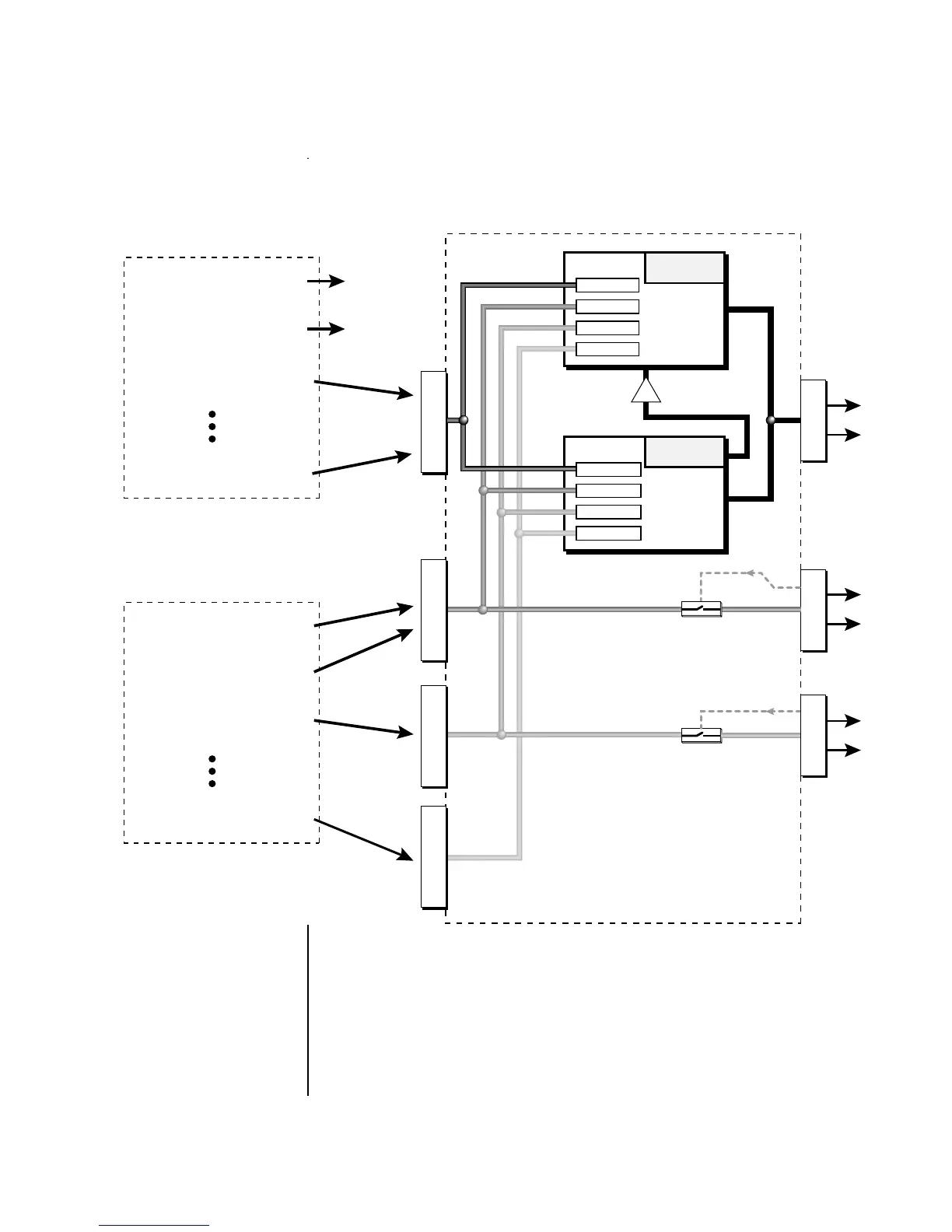
Sends 2 and 3 can be routed to the effects processors or to rear panel submix jacks. When
a plug is inserted into a Submix jack, the dry portion of the Send is disconnected from
the effects processor and is routed directly to the Submix output jacks.
MIDI Channel 1B
MIDI Channel 2B
MIDI Channel 3B
MIDI Channel 16B
MIDI Channel 1A
MIDI Channel 2A
MIDI Channel 3A
MIDI Channel 16A
MIDI CHANNEL
MIDI CHANNEL
Preset
Preset
S
E
N
D
1
S
U
B
1
M
A
I
N
OUTPUT SECTION
& EFFECTS PROCESSORS
Hall 1
Effect
A
Chorus
Effect
B
BA
Jack
Detect
Jack
Detect
S
U
B
2
FX Sends
Send 2 10%
Send 3 0%
Send 4 0%
Send 1 15%
FX Sends
Send 1 0%
Send 4 15%
Send 3 20%
Send 2 0%
S
E
N
D
2
S
E
N
D
3
S
E
N
D
4

Table of Contents