EasyManua.ls Logo

E-Mu MP-7 command station - Page 210

E-Mu MP-7 command station
388 pages
Print Icon
To Next Page IconTo Next Page
To Next Page IconTo Next Page
To Previous Page IconTo Previous Page
To Previous Page IconTo Previous Page
Loading...
198 E-MU Systems
Programming Basics
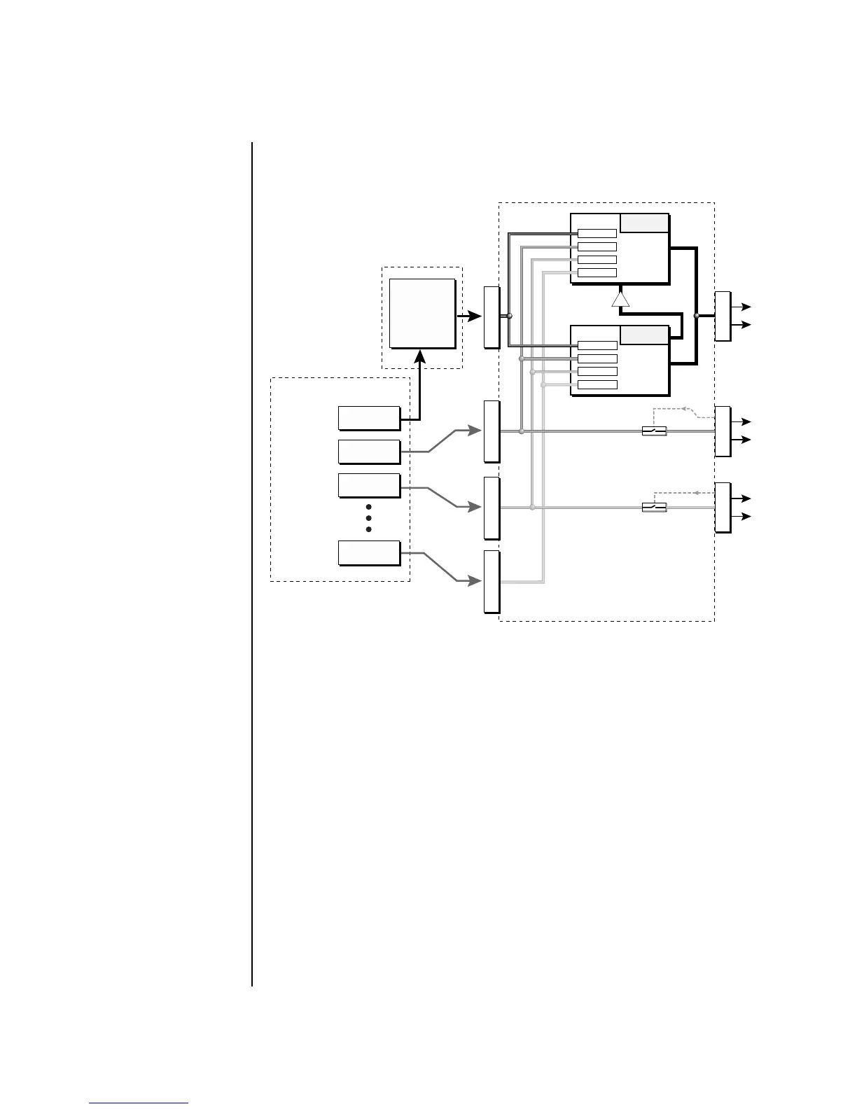
Stereo Mix Outputs
The Mix Output screen in the Global menu assigns each MIDI channel to a
Send (1-4) or to “Preset”.
The Mix Output screen in the Preset Edit menu is ONLY used if the Global
Mix Output is set to “Preset”. Otherwise the Preset Edit menu Mix Output
settings are ignored.
S
U
B
1
M
A
I
N
OUTPUT SECTION
& EFFECTS PROCESSORS
FX Sends
Hall 1
Effect
A
FX Sends
Chorus
Effect
B
BA
Jack Detect
Jack Detect
S
U
B
2
PRESET
Mix
Output
Mix Output
Send 1
Send 1 15%
Send 2 10%
Send 3 0%
Send 4 0%
Send 1 0%
Send 2 0%
Send 3 20%
Send 4 15%
GLOBAL MENU
PRESET
EDIT MENU
Ch 1A
SEND 2Ch 2A
SEND 3Ch 3A
SEND 4Ch 16B
S
E
N
D
1
S
E
N
D
2
S
E
N
D
3
S
E
N
D
4

Table of Contents