EasyManua.ls Logo

E-Mu MP-7 command station - Page 245

E-Mu MP-7 command station
388 pages
Print Icon
To Next Page IconTo Next Page
To Next Page IconTo Next Page
To Previous Page IconTo Previous Page
To Previous Page IconTo Previous Page
Loading...
MP-7 Owners Manual 233
Preset Edit Menu
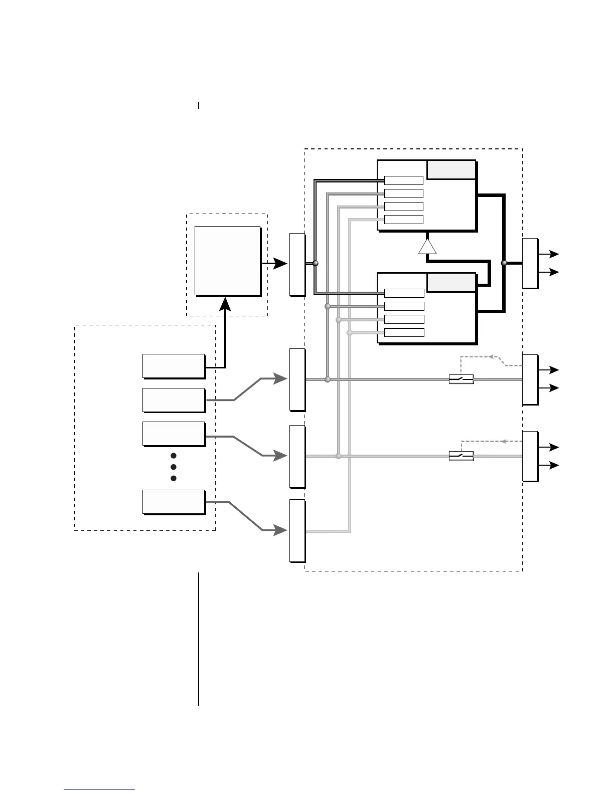
Preset Effects
The Mix Output setting in the Global Menu determines if the Preset’s Mix
Output routing will be used. This allows the Sends to be programmed by
either MIDI Channel or by Preset, whichever you prefer.
S
U
B
1
M
A
I
N
OUTPUT SECTION
& EFFECTS PROCESSORS
FX Sends
Hall 1
Effect
A
FX Sends
Chorus
Effect
B
BA
Jack Detect
Jack Detect
S
U
B
2
PRESET
Mix
Output
Mix Output
Send 1
Send 1 15%
Send 2 10%
Send 3 0%
Send 4 0%
Send 1 0%
Send 2 0%
Send 3 20%
Send 4 15%
GLOBAL MENU
PRESET
EDIT MENU
Ch 1A
SEND 2Ch 2A
SEND 3Ch 3A
SEND 4Ch 16B
S
E
N
D
1
S
E
N
D
2
S
E
N
D
3
S
E
N
D
4

Table of Contents