EasyManua.ls Logo

EBARA EV-SA20 - Page 35

EBARA EV-SA20
74 pages
Print Icon
To Next Page IconTo Next Page
To Next Page IconTo Next Page
To Previous Page IconTo Previous Page
To Previous Page IconTo Previous Page
Loading...
P.34
PM10U
EBARA
CORPORATION
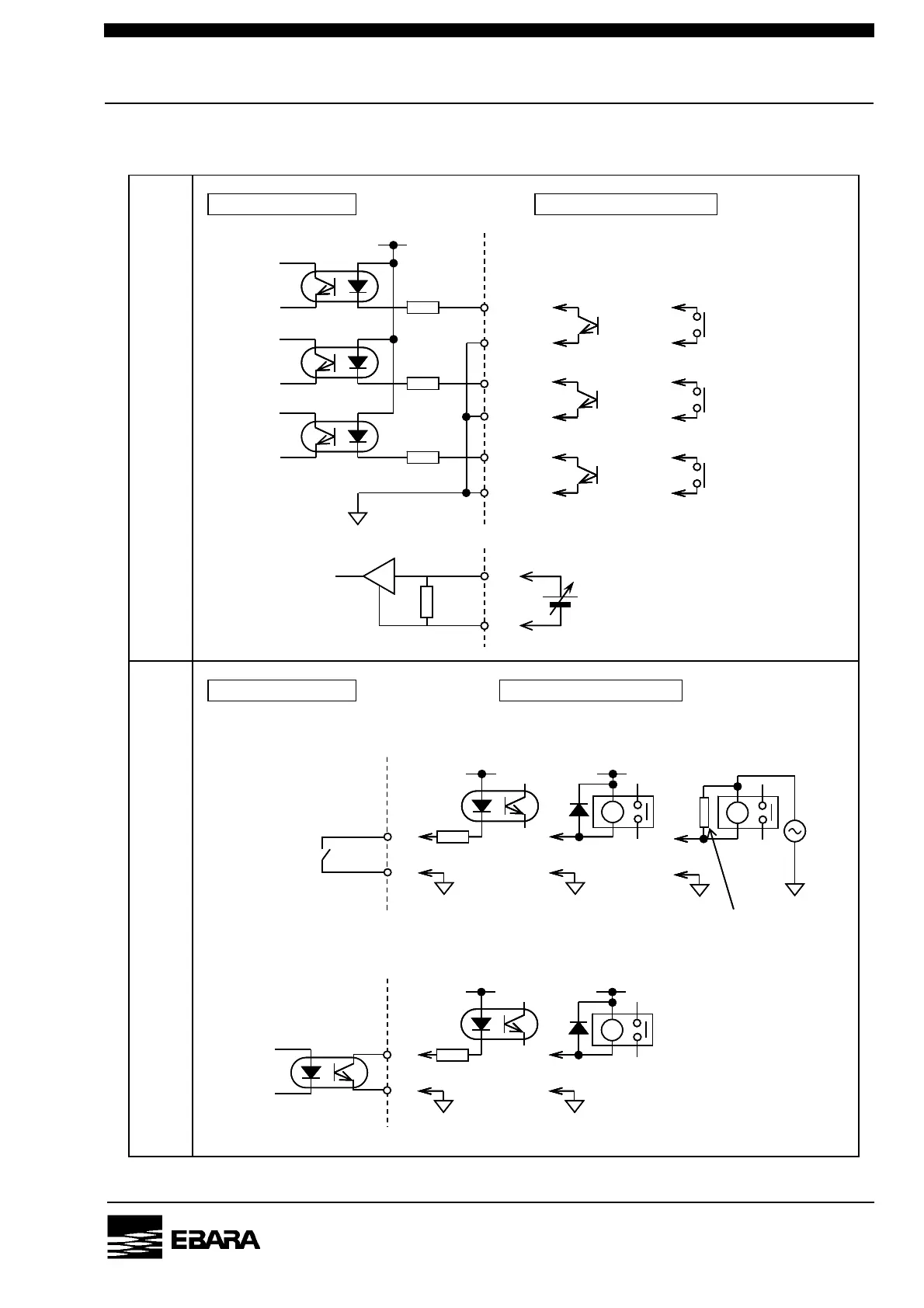
Table 3.5 Signal contacts
IN
OUT
Pump side circuit Customer’s connection
Pump side circuit Customer’s connection
12
8mA
24V DC
9
1
4
8mA
Open collector Dry contact
2
10
12
8mA
24V DC
9
11
4
8mA
Open collector Dry contact
22
10
A
20kΩ
7
15
DC 0-10 V
A
20kΩ
AA
20kΩ
7
15
DC 0-10 V
14
6
DC30V 10mA - 1A
Min. Load: DC5V, 10mA
Surge suppressor
AC250V 10mA - 1A
14
6
DC30V 10mA - 1A
Min. Load: DC5V, 10mA
Surge suppressor
AC250V 10mA - 1A
11
3
Open collector
DC5-48V
50mA or less
11
3
Open collector
DC5-48V
50mA or less
8mA

Related product manuals