EasyManua.ls Logo

EKOM DK50 PLUS/M - Page 209

EKOM DK50 PLUS/M
240 pages
Print Icon
To Next Page IconTo Next Page
To Next Page IconTo Next Page
To Previous Page IconTo Previous Page
To Previous Page IconTo Previous Page
Loading...
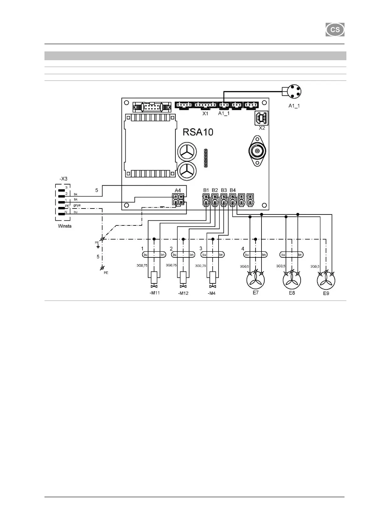
INSTALACE
10/2022 209 NP-DK50 2V-A-4_10-2022-AD
AD500
1/N/PE ~ 230V, 50Hz / 230V, 60Hz
~ 120V, 60Hz
ELEKTRICKÝ PREDMET TR. 1
Poznámka:
Snímač rosného bodu (A1_1) není součástí sušiče, v případě zájmu kontaktujte
dodavatele.

Table of Contents

Related product manuals