EasyManua.ls Logo

EKOM DK50 PLUS/M - Page 38

EKOM DK50 PLUS/M
240 pages
Print Icon
To Next Page IconTo Next Page
To Next Page IconTo Next Page
To Previous Page IconTo Previous Page
To Previous Page IconTo Previous Page
Loading...
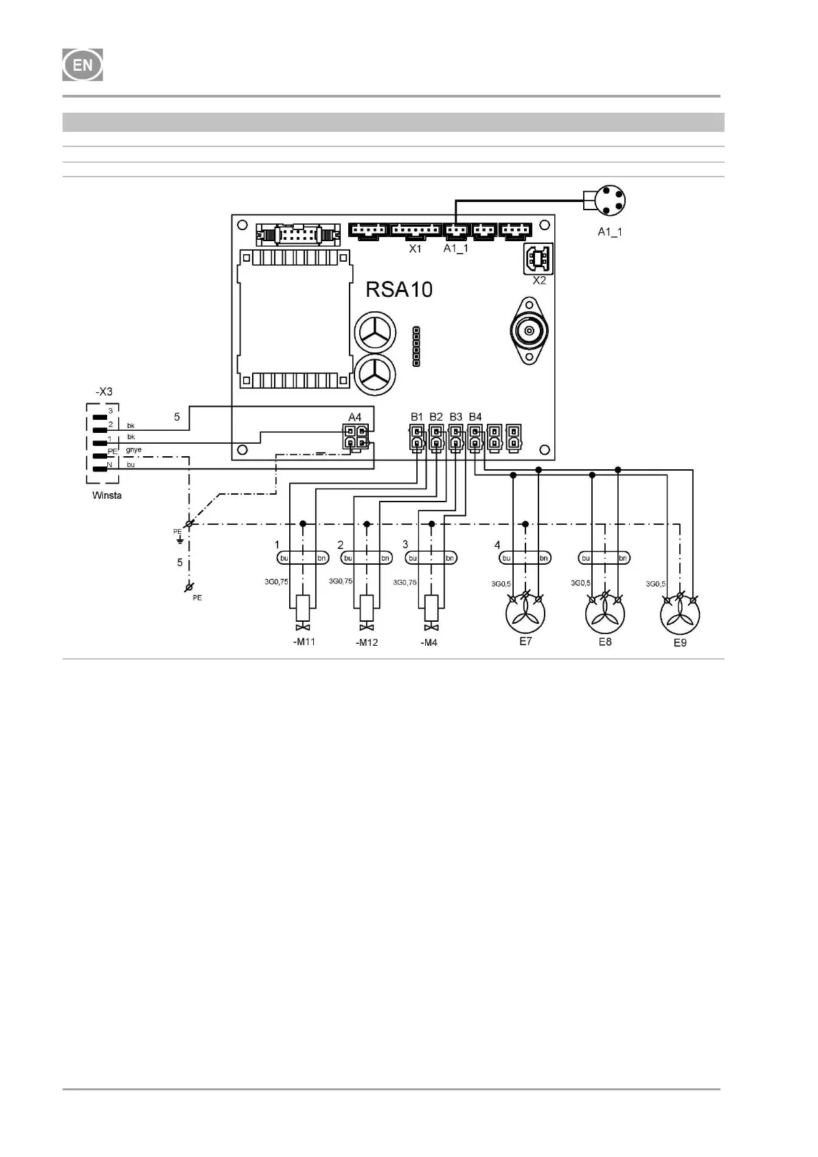
INSTALLATION
NP-DK50 2V-A-4_10-2022-AD 38 10/2022
AD500
1/N/PE ~ 230V, 50Hz / 230V, 60Hz
~ 120V, 60Hz
ELEKTRIC OBJECT OF 1st. CAT.
Note:
The dew point sensor (A1_1) is not included with the dryer; please contact your supplier
for more information.

Table of Contents

Related product manuals