EasyManua.ls Logo

EKOM DK50 PLUS/M - Page 96

EKOM DK50 PLUS/M
240 pages
Print Icon
To Next Page IconTo Next Page
To Next Page IconTo Next Page
To Previous Page IconTo Previous Page
To Previous Page IconTo Previous Page
Loading...
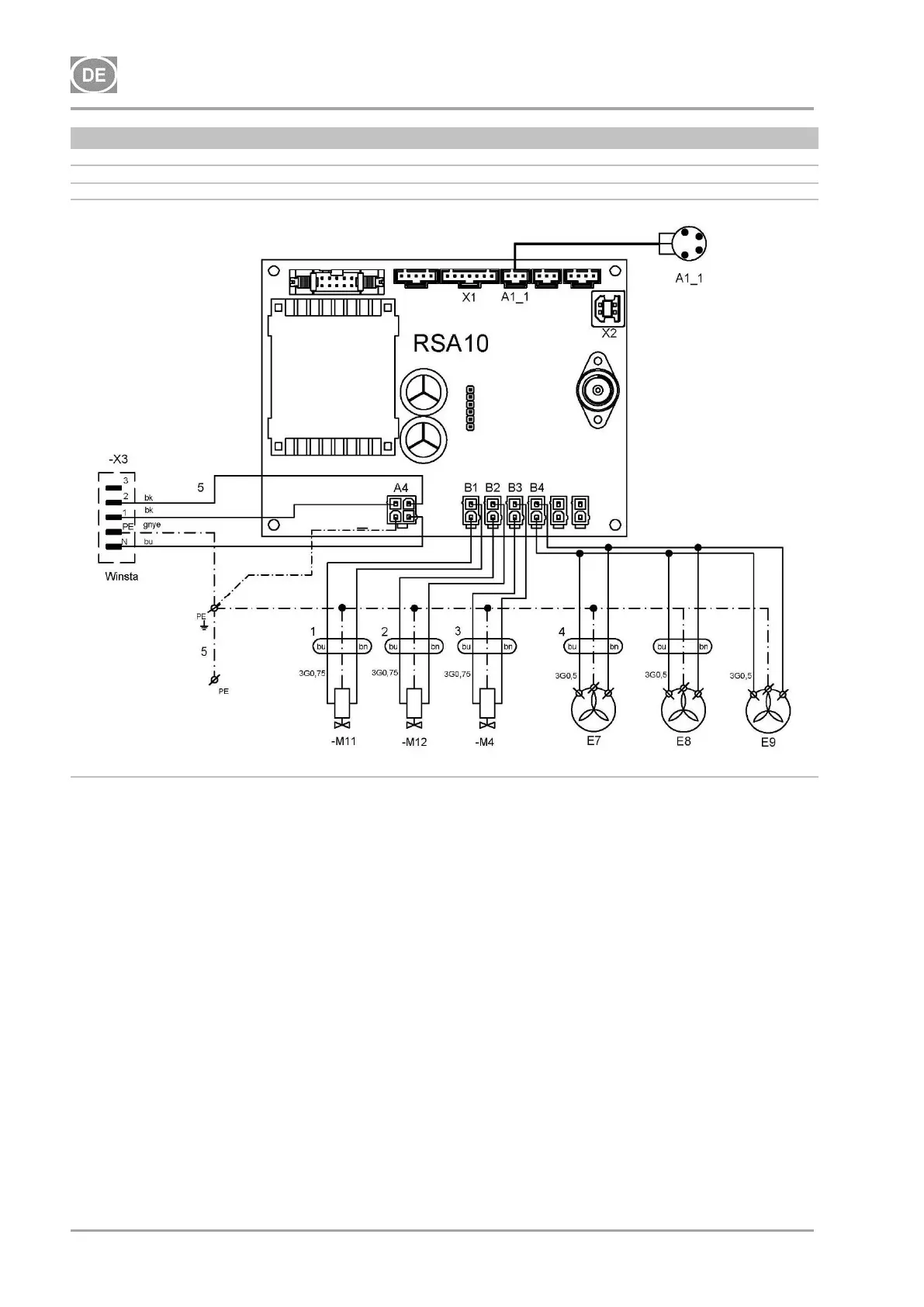
INSTALLATION
NP-DK50 2V-A-4_10-2022-AD 96 10/2022
AD500
1/N/PE ~ 230V, 50Hz / 230V, 60Hz
~ 120V, 60Hz
ELEKTRISCHE OBJEKTKLASSE 1
Hinweis:
Der Taupunktsensor (A1_1) ist nicht im Lieferumfang des Trockners enthalten. Wenden
Sie sich für weitere Einzelheiten bitte an Ihren Lieferanten.

Table of Contents

Related product manuals