EasyManua.ls Logo

Electrolux Side-By-Side Refrigerator - Section C - Diagrams; Diagram A - Control System

Electrolux Side-By-Side Refrigerator
137 pages
Print Icon
To Next Page IconTo Next Page
To Next Page IconTo Next Page
To Previous Page IconTo Previous Page
To Previous Page IconTo Previous Page
Loading...
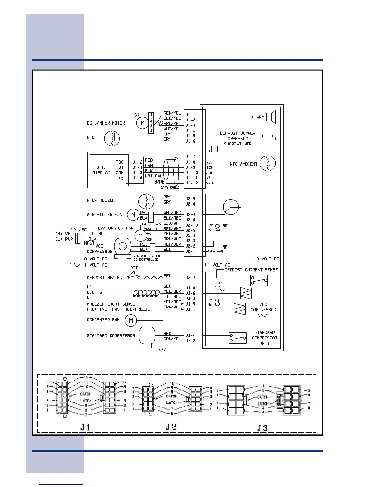
32 Section C - Diagrams
Diagram A - Control System

Table of Contents

Other manuals for Electrolux Side-By-Side Refrigerator

Related product manuals